
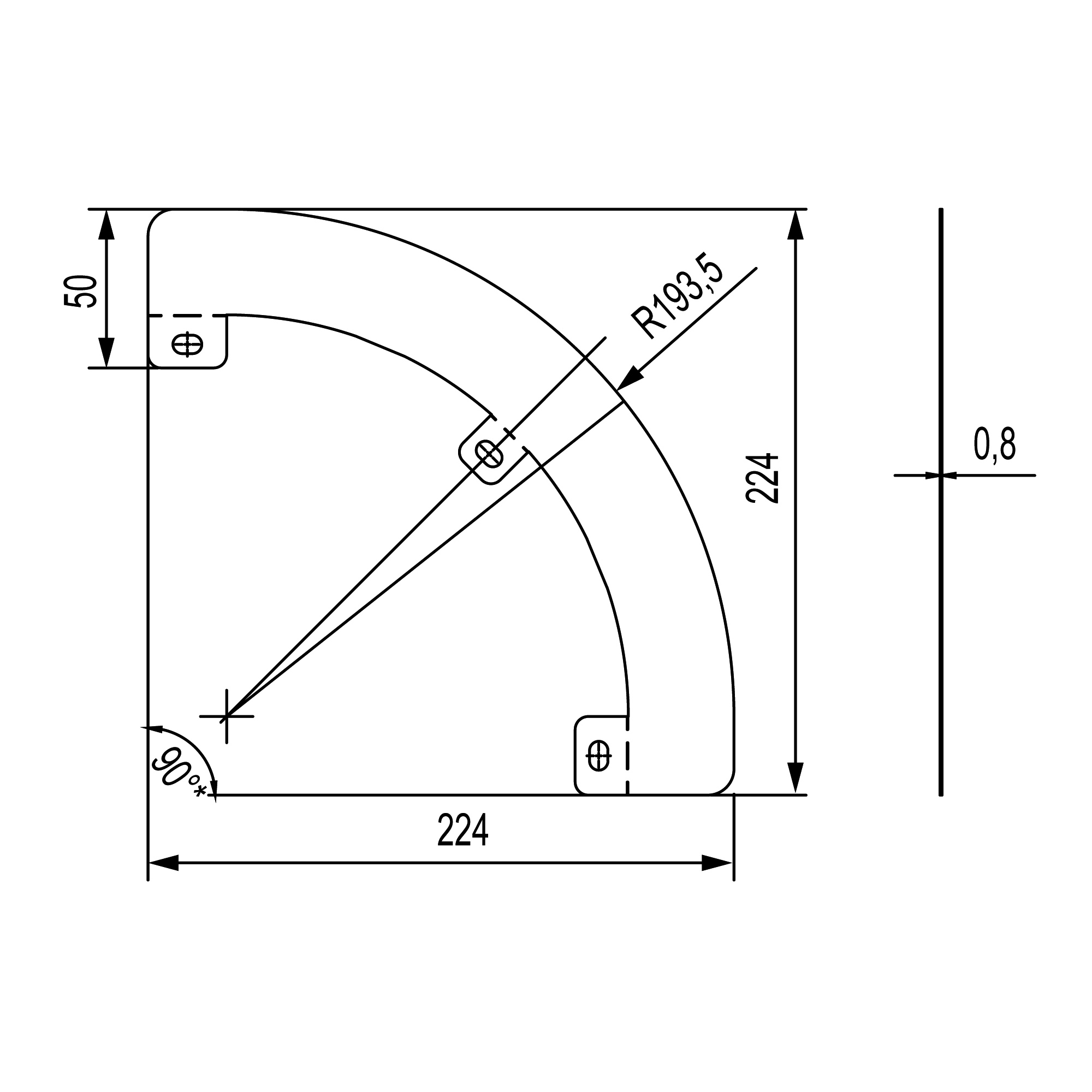
Перегородка SEP для углов CD 90 H50, в комплекте с крепежными элементами и необходимыми для монтажа
Характеристики изделия
Материал .......... СтальТип крепления .......... Винтовой (-ое)
Подходит для (листового) кабельного лотка .......... Да
Высота перегородки, мм .......... 50
Защитное покрытие поверхности .......... Оцинковка горячим способом по методу сендзимира
Вид/ марка материала .......... Сталь
Модель/исполнение .......... L-профиль
Длина, мм .......... 310
Отзывы не найдены