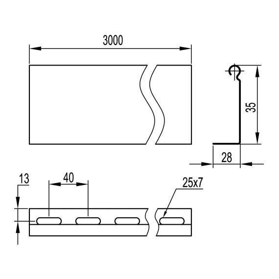
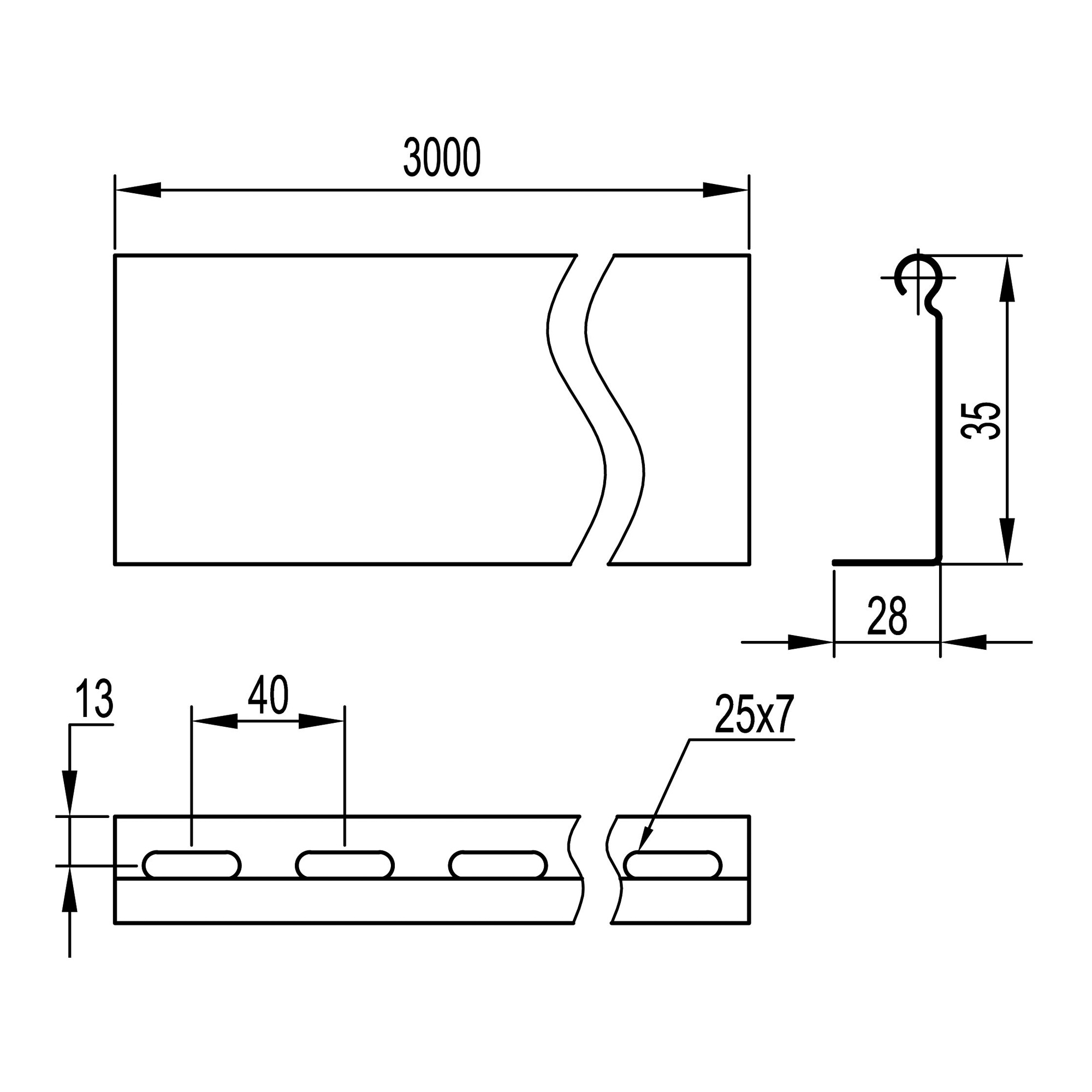
Перегородка SEP L3000 Н 35 мм, горячеоцинкованная
Характеристики изделия
Длина, мм .......... 3000Материал .......... Сталь
Тип крепления .......... Винтовой (-ое)
Подходит для (листового) кабельного лотка .......... Да
Высота перегородки, мм .......... 35
Монтажная перфорация .......... Да
Защитное покрытие поверхности .......... Горячее цинкование
Нержавеющая сталь травлёная .......... Да
Вид/ марка материала .......... Сталь
Цвет .......... Светло-серый
Модель/исполнение .......... L-профиль
Подходит для проволочного лотка .......... Да
Отзывы не найдены
