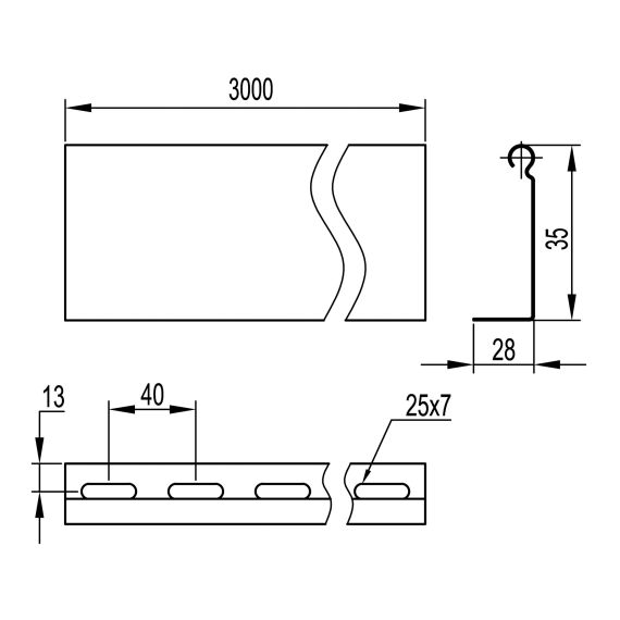
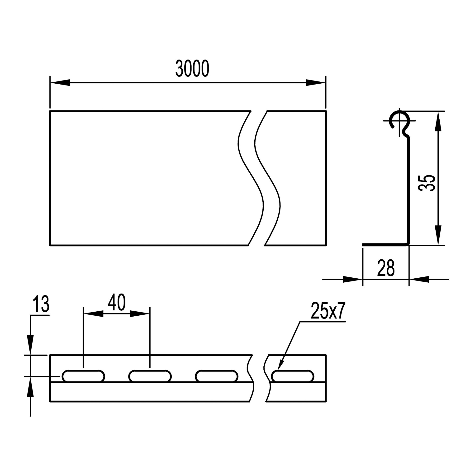
Перегородка SEP L3000 Н 35 мм
Характеристики изделия
Длина, мм .......... 3000Материал .......... Сталь
Тип крепления .......... Винтовой (-ое)
Подходит для (листового) кабельного лотка .......... Да
Высота перегородки, мм .......... 35
Монтажная перфорация .......... Да
Защитное покрытие поверхности .......... Оцинковка горячим способом по методу сендзимира
Нержавеющая сталь травлёная .......... Да
Вид/ марка материала .......... Сталь
Цвет .......... Светло-серый
Модель/исполнение .......... L-профиль
Подходит для проволочного лотка .......... Да
Отзывы не найдены
