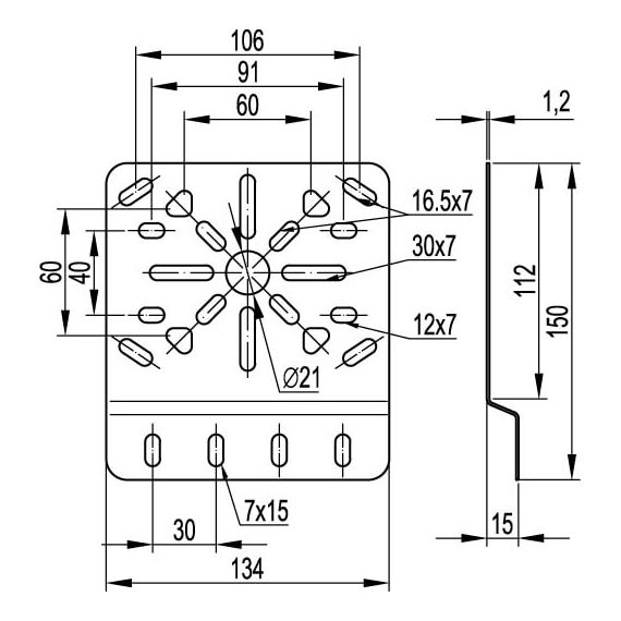
Пластина монтажная вертикальная
Характеристики изделия
Модель/исполнение .......... Вертикальн.Защитное покрытие поверхности .......... Оцинковка горячим способом по методу сендзимира
Материал .......... Сталь
Тип крепления .......... Винтовое крепление
Ширина пластины, мм .......... 15
Высота пластины, мм .......... 134
Нержавеющая сталь травлёная .......... Да
Отзывы не найдены
