Монтажная плата, INOX
Монтажная плата, INOX
1 87868 

Монтажная плата, INOX

417226
10 дн.
Гарантии безопасности
21 день на возврат
Безопасная онлайн-оплата
Официальная гарантия производителя
Стоимость и сроки доставки
Код товара417226
Описание
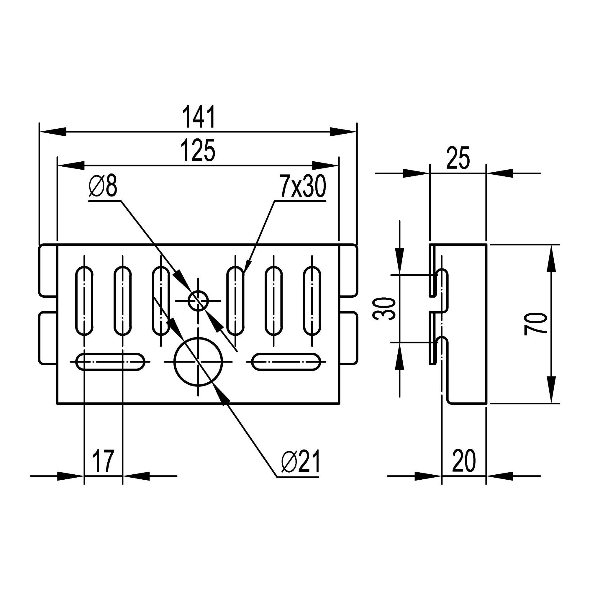
Монтажная плата предназначена для монтажа ответвительных коробок и лотков высотой 50, 80 и 100 мм. Может использвоаться для крепления к стене лотков c шириной основания до 150 мм. Изготовлена из стали толщиной 2 мм. Специальное исполнение "нержавеющая сталь AISI 304" означает, что изделие имеет высокую устойчивость к воздействию агрессивных сред и нагреву и служит в 1,5-3 раза дольше оцинкованного аналога.
Характеристики изделия
Модель/исполнение .......... Горизонтал./вертикал.
Вид/ марка материала .......... Нержавеющая сталь
Материал .......... Нержавеющая сталь
Тип крепления .......... Винтовое крепление
Ширина пластины, мм .......... 154
Высота пластины, мм .......... 70.5
Нержавеющая сталь травлёная .......... Да
Особенности
Массо-габаритные характеристики
Вес, кг
0.15
Единица измерения
шт
Заводская упаковка
10.0 шт
Объем, м3
0.00026
Общие характеристики
Страна происхождения
Италия
Штрихкод
4690309294147,4690309588505
Код товара
417226
Производитель
DKC
Артикул производителя
FC37310INOX
Основные характеристики
Высота, мм
25
Материал изделия
нержавеющая сталь
Серия
f5 combitech
Тип изделия
переходник
Ширина, мм
70
Дополнительные характеристики
Длина, мм
141
Покрытие
без покрытия
Способ монтажа
винтовое крепление
Отзывы

Отзывы не найдены

Возможно, вас это заинтересует
  • Самые популярные
  • Распродажа
  • Недавно просмотренные
 
Быстро и качественно доставляем

Наша компания производит доставку по всей России и ближнему зарубежью

Гарантия качества и сервисное обслуживание

Мы предлагаем только те товары, в качестве которых мы уверены

Возврат товара в течение 21 дня

У вас есть 21 день для того чтобы протестировать вашу покупку