Накладка для лотка или крышки, ширина 300 мм, алюминий

725403
10 дн.
Гарантии безопасности
21 день на возврат
Безопасная онлайн-оплата
Официальная гарантия производителя
Код товара725403
Описание
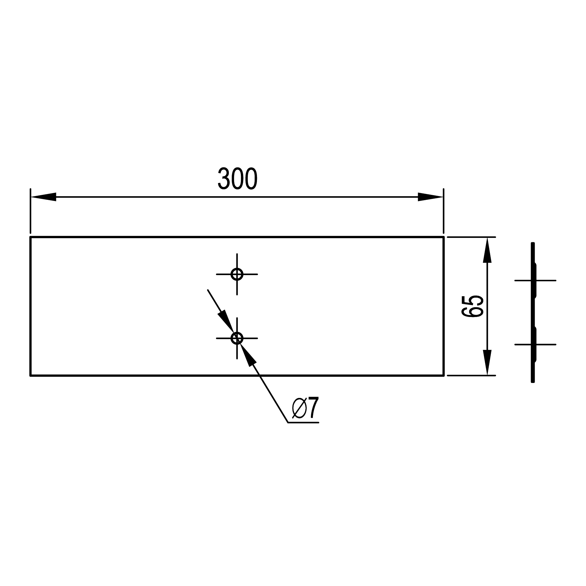
Накладка для лотка или крышки предназначена для организации надежного соединения лотков и крышек между собой в местах стыков. Аксессуары из алюминиевого сплава применяются при прокладке кабеля на объектах с повышенным воздействием агрессивных сред. Использование решений из алюминия позволяет значительно снизить общий вес кабельной трассы. Накладка применяется с алюминиевыми лотками линейки "S5 Combitech" с шириной основания 300 мм.
Характеристики изделия
Вид/ марка материала .......... Алюминий
Тип крепления .......... Винтовое крепление
Ширина пластины, мм .......... 65
Высота пластины, мм .......... 294
Материал .......... Алюминий
Особенности
Массо-габаритные характеристики
Вес, кг
0.15
Единица измерения
шт
Заводская упаковка
1.0 шт
Объем, м3
0.00039
Общие характеристики
Страна происхождения
Россия
Штрихкод
4660241369258
Код товара
725403
Производитель
DKC
Артикул производителя
AGB30
Основные характеристики
Высота, мм
294
Материал изделия
алюминий
Серия
s5 combitech
Дополнительные характеристики
Способ монтажа
винтовое крепление
Отзывы

Отзывы не найдены

Возможно, вас это заинтересует
  • Самые популярные
  • Распродажа
  • Недавно просмотренные
 
Быстро и качественно доставляем

Наша компания производит доставку по всей России и ближнему зарубежью

Гарантия качества и сервисное обслуживание

Мы предлагаем только те товары, в качестве которых мы уверены

Возврат товара в течение 21 дня

У вас есть 21 день для того чтобы протестировать вашу покупку