Реле миниатюрное промышленное, 2CO, ком. ток 8А, AgSnO2, напряжение 24V DC, опция: тест-кнопка+светодиод+защитный диод
Характеристики изделия
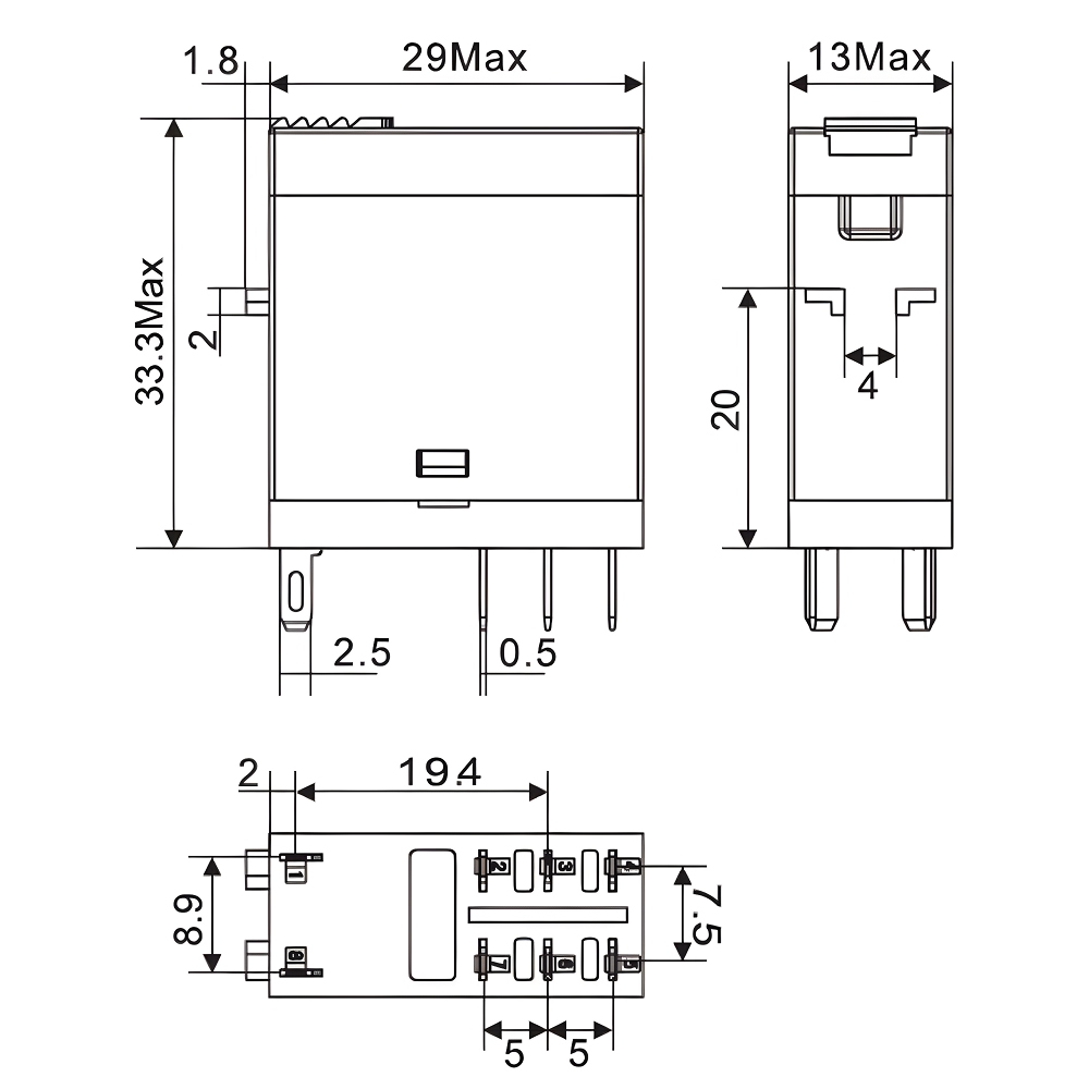
Номин. ток, а .......... 8Ширина, мм .......... 13
Высота, мм .......... 33.3
Глубина, мм .......... 29
Со съемными клеммами .......... Нет
Полюсность .......... Определенная полюсность
Тип управления/переключения .......... Моностабильное
С принудительно управляемыми контактами .......... Нет
Тип переключающих контактов .......... Двойной контакт
В комплекте с розеткой (цоколем) .......... Нет
Тип подключения .......... Плоский штекерный разъем
Номин. напряжение питания цепи управления us постоян. тока dc, в .......... 24...24
Степень защиты (ip) .......... Ip50
Со светодиодной (led) индикацией .......... Да
Тип напряжения управления .......... Dc (постоян.)
Количество переключающих (перекидных) контактов .......... 2
Отзывы не найдены
