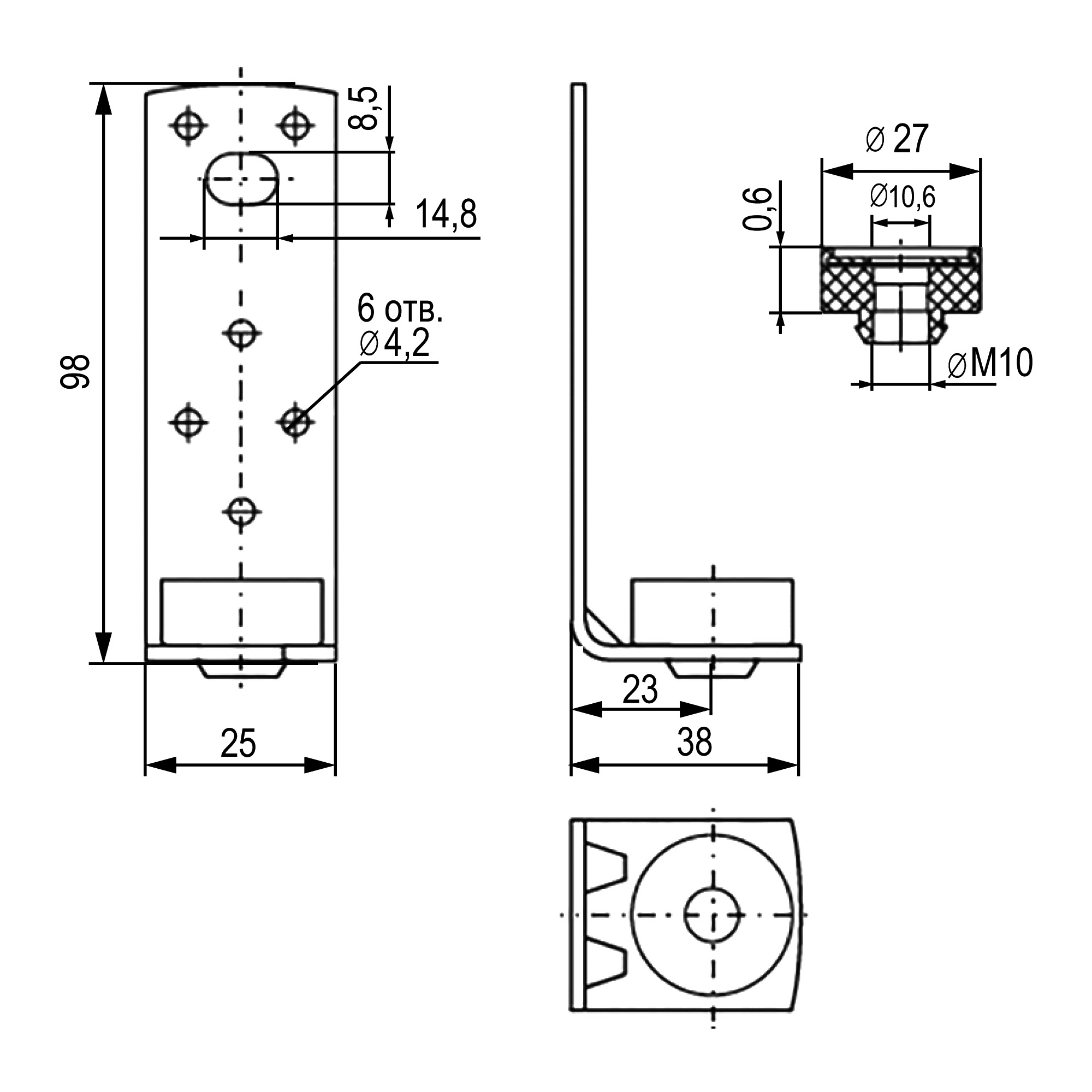
L-образный кронштейн для воздуховода с виброгасителем под шпильку М8 / М10
Характеристики изделия
Защитное покрытие поверхности .......... Гальваническое/электролит. цинковое покрытиеМатериал .......... Сталь
Тип крепления .......... Винтовой
Тип соединения частей конструкции .......... Прочее
Шарнирный (-ая) .......... Нет
Метрический размер резьбы (м..) .......... 8
Диаметр трубы/кабеля, мм .......... 4...10
Отзывы не найдены
