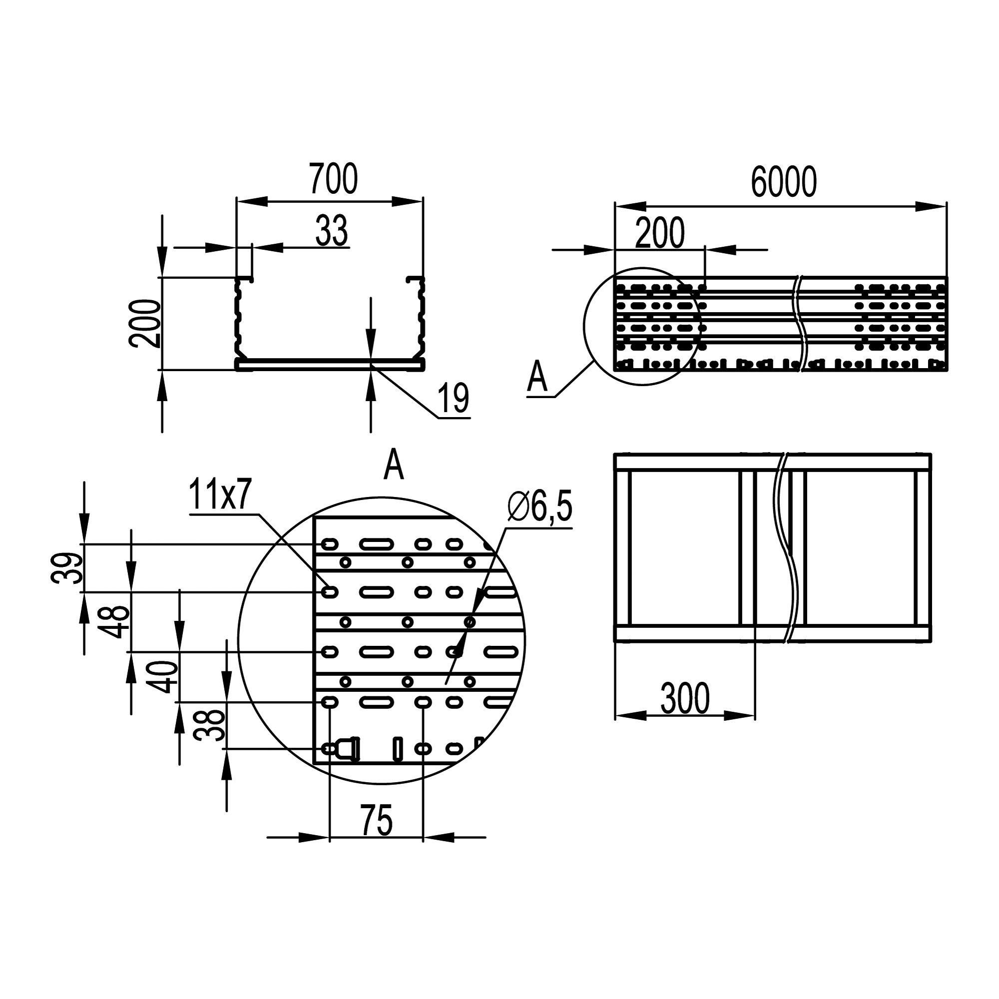
Лоток листовой неперфорированный 200x700, лонжерон 1,5 мм, L 6 м, горячий цинк
Характеристики изделия
Цвет .......... СерыйШирина, мм .......... 700
Модель/исполнение .......... Без соединит. разъема
Высота, мм .......... 200
Защитное покрытие поверхности .......... Горячее цинкование
Толщина материала, мм .......... 1.5
Перфорированная боковая стенка .......... Да
Вид/ марка материала .......... Сталь
Длина, мм .......... 6000
Материал .......... Сталь
Перфорация в основании для монтажа .......... Нет
Полезное сечение, мм² .......... 126000
Nato монтажные отверстия .......... Да
Исполнение для больших расстояний (усиленный) .......... Да
Подходит для обеспеч. целостности цепи (огнестойкость) .......... Да
Отзывы не найдены
