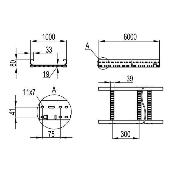
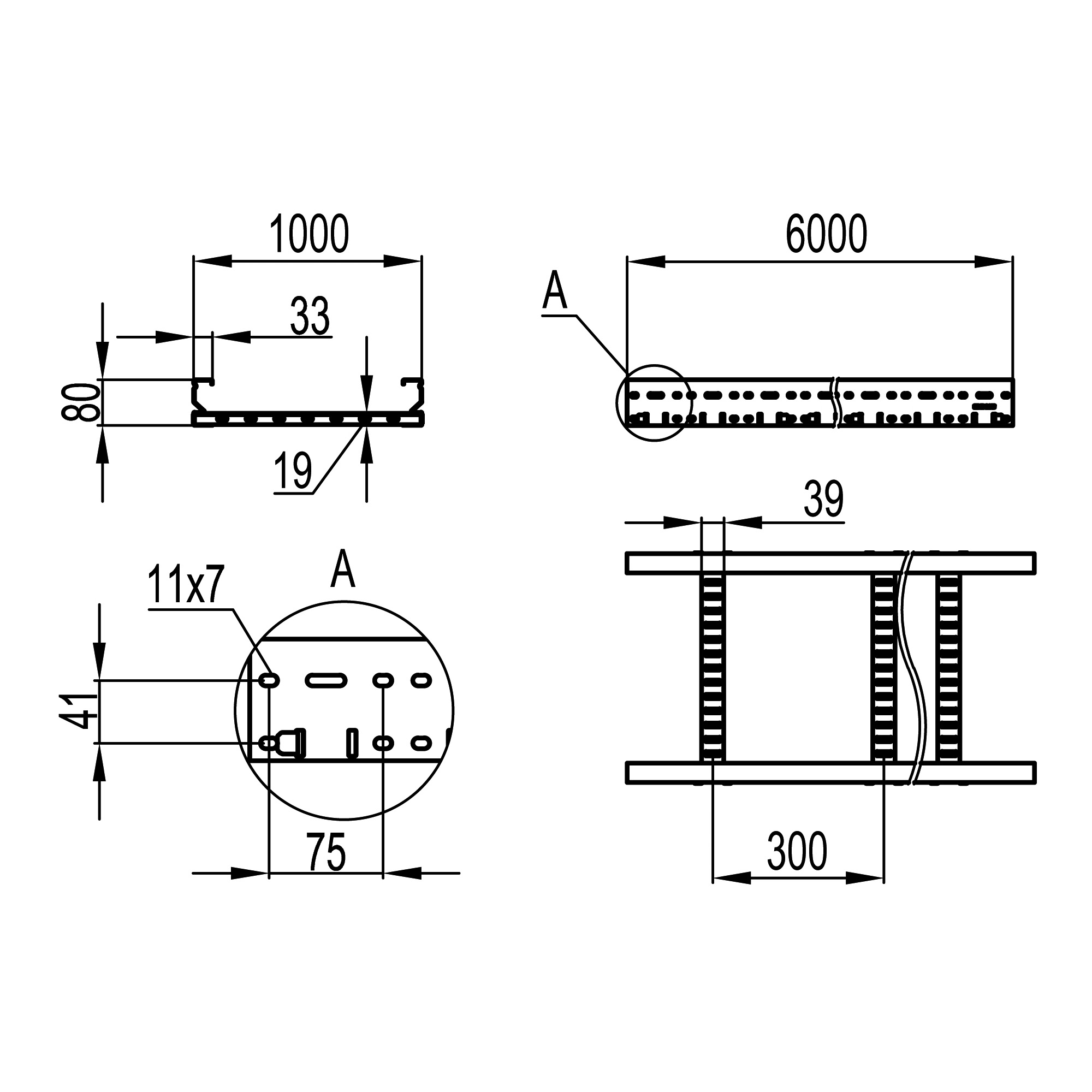
Лоток лестничный 80х1000, лонжерон 1,5 мм, L 6 м
Характеристики изделия
Цвет .......... Светло-серыйШирина, мм .......... 1000
Высота, мм .......... 80
Защитное покрытие поверхности .......... Оцинковка горячим способом по методу сендзимира
Тип ступени .......... Перфорированный профиль
Перфорированная боковая стенка .......... Да
Вид/ марка материала .......... Сталь
Длина, мм .......... 6000
Материал .......... Сталь
Полезное сечение, мм² .......... 60000
Исполнение для больших расстояний (усиленный) .......... Да
Тип бокового профиля .......... Профиль (открытый)
Расстояние между ступеньками/ поперечинами, мм .......... 300
Фиксация ступени .......... Полностью заклепано
Отзывы не найдены
