Лоток лестничный 80х500, лонжерон 2 мм,
Лоток лестничный 80х500, лонжерон 2 мм,
5 70848 

Лоток лестничный 80х500, лонжерон 2 мм,

306730
10 дн.
Гарантии безопасности
21 день на возврат
Безопасная онлайн-оплата
Официальная гарантия производителя
Стоимость и сроки доставки
Код товара306730
Описание
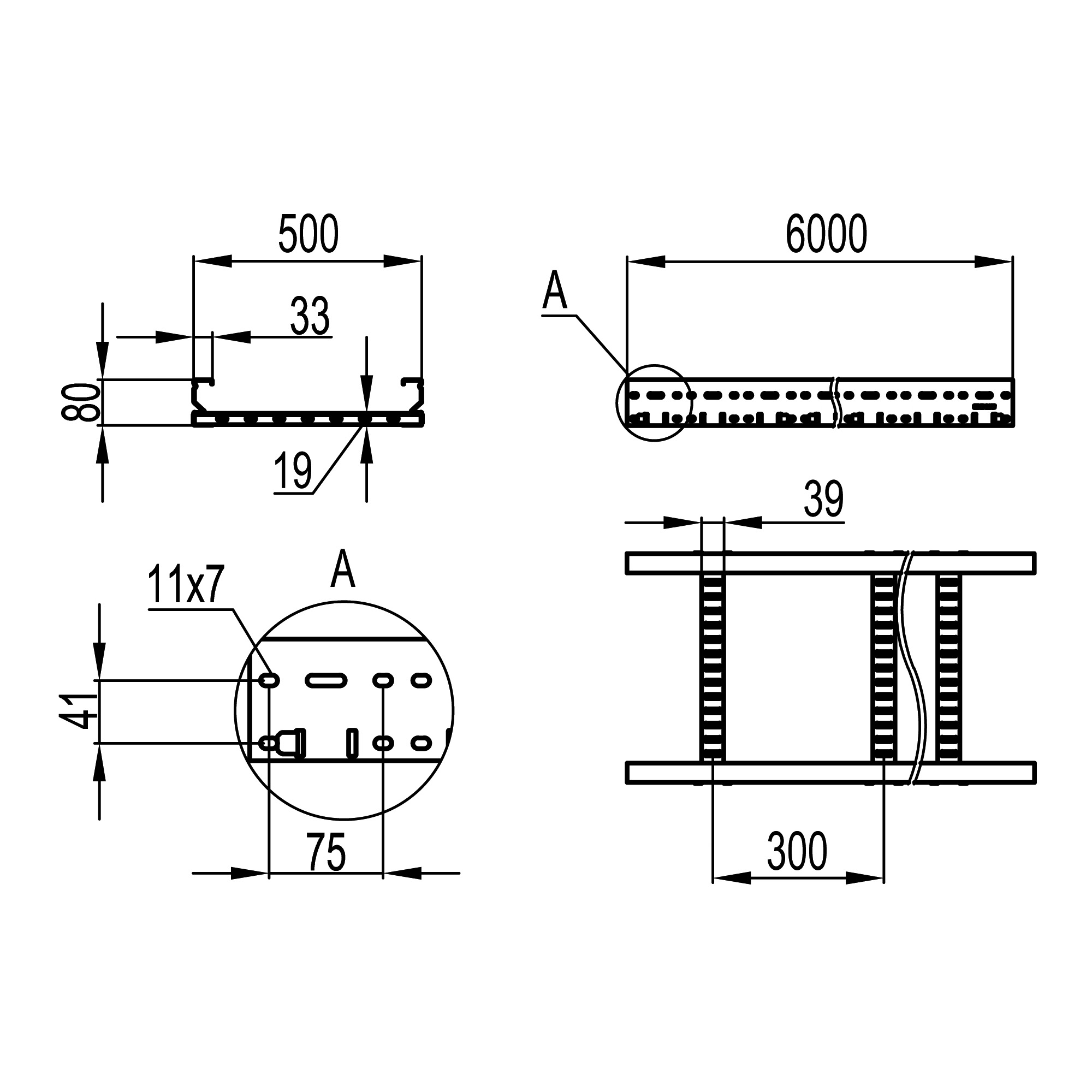
Конструкция лотков позволяет выдерживать высокие нагрузки при прокладке кабеля на больших расстояниях, что подтверждено испытаниями согласно п.10.3.3 ГОСТа 52868-2007. Также лоток обладает высокой вибростойкостью, устойчивостью к изгибу, и соответствует требованиям по сейсмостойкости до 9 баллов. Толщина стали -2 мм, высота лотка -80 мм, ширина -500 мм, длина -6000 мм. Исполнение – "Цинк-ламель"
Характеристики изделия
Цвет .......... Светло-серый
Ширина, мм .......... 500
Высота, мм .......... 80
Защитное покрытие поверхности .......... Цинк-ламельное покрытие
Тип ступени .......... Перфорированный профиль
Перфорированная боковая стенка .......... Да
Вид/ марка материала .......... Сталь
Длина, мм .......... 6000
Материал .......... Сталь
Полезное сечение, мм² .......... 30000
Исполнение для больших расстояний (усиленный) .......... Да
Тип бокового профиля .......... Профиль (открытый)
Расстояние между ступеньками/ поперечинами, мм .......... 300
Фиксация ступени .......... Полностью заклепано
Особенности
Массо-габаритные характеристики
Вес, кг
7.62
Единица измерения
м
Заводская упаковка
6.0 м
Объем, м3
0.04
Общие характеристики
Страна происхождения
Россия
Штрихкод
4690309414316
Код товара
306730
Производитель
DKC
Артикул производителя
ULH685ZL
Основные характеристики
Высота, мм
80
Длина, мм
6000
Материал изделия
сталь
Покрытие
цинк-ламель
Серия
u5 combitech
Тип изделия
лоток лестничный
Ширина, мм
500
Дополнительные характеристики
Цвет
светло-серый
Отзывы

Отзывы не найдены

Возможно, вас это заинтересует
  • Самые популярные
  • Распродажа
  • Недавно просмотренные
 
Быстро и качественно доставляем

Наша компания производит доставку по всей России и ближнему зарубежью

Гарантия качества и сервисное обслуживание

Мы предлагаем только те товары, в качестве которых мы уверены

Возврат товара в течение 21 дня

У вас есть 21 день для того чтобы протестировать вашу покупку