Лоток лестничный 80х400, лонжерон 2 мм, L 6 м
Лоток лестничный 80х400, лонжерон 2 мм, L 6 м
4 51302 

Лоток лестничный 80х400, лонжерон 2 мм, L 6 м

327123
10 дн.
Гарантии безопасности
21 день на возврат
Безопасная онлайн-оплата
Официальная гарантия производителя
Стоимость и сроки доставки
Код товара327123
Описание
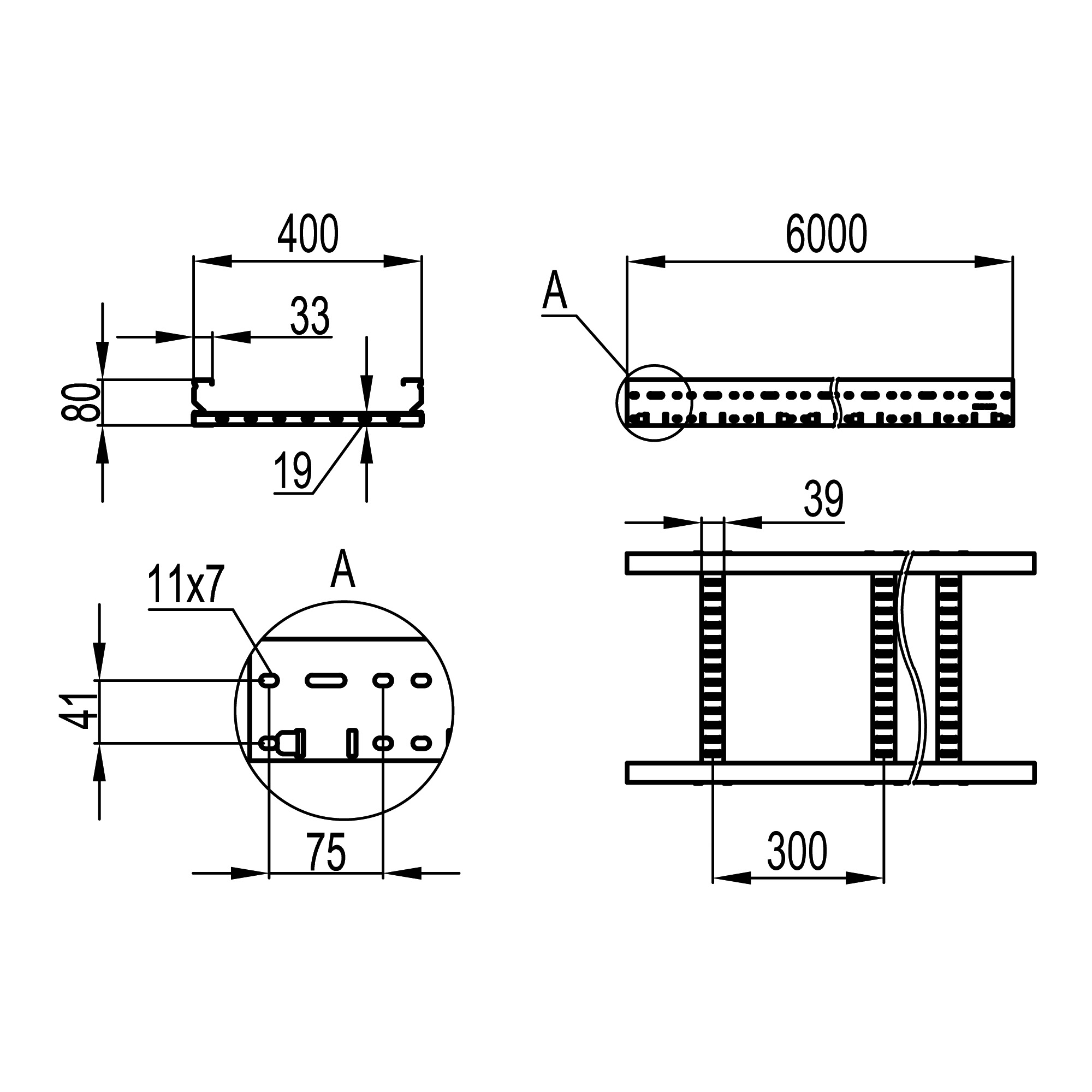
Конструкция лотков позволяет выдерживать высокие нагрузки при прокладке кабеля на больших расстояниях, что подтверждено испытаниями согласно п.10.3.3 ГОСТа 52868-2007. Также лоток обладает высокой вибростойкостью, устойчивостью к изгибу, и соответствует требованиям по сейсмостойкости до 9 баллов. Толщина стали -2 мм, высота лотка -80 мм, ширина -400 мм, длина -6000 мм. Исполнение – "Сендземир"
Характеристики изделия
Цвет .......... Светло-серый
Ширина, мм .......... 400
Высота, мм .......... 80
Защитное покрытие поверхности .......... Оцинковка горячим способом по методу сендзимира
Тип ступени .......... Перфорированный профиль
Перфорированная боковая стенка .......... Да
Вид/ марка материала .......... Сталь
Длина, мм .......... 6000
Материал .......... Сталь
Полезное сечение, мм² .......... 24000
Исполнение для больших расстояний (усиленный) .......... Да
Тип бокового профиля .......... Профиль (открытый)
Расстояние между ступеньками/ поперечинами, мм .......... 300
Фиксация ступени .......... Полностью заклепано
Особенности
Массо-габаритные характеристики
Вес, кг
6.76
Единица измерения
м
Заводская упаковка
6.0 м
Объем, м3
0.032
Общие характеристики
Страна происхождения
Россия
Штрихкод
4690309222690
Код товара
327123
Производитель
DKC
Артикул производителя
ULH684
Основные характеристики
Высота, мм
80
Длина, мм
6000
Материал изделия
сталь
Покрытие
Цинк
Серия
u5 combitech
Тип изделия
лоток лестничный
Ширина, мм
400
Дополнительные характеристики
Цвет
светло-серый
Отзывы

Отзывы не найдены

Возможно, вас это заинтересует
  • Самые популярные
  • Распродажа
  • Недавно просмотренные
 
Быстро и качественно доставляем

Наша компания производит доставку по всей России и ближнему зарубежью

Гарантия качества и сервисное обслуживание

Мы предлагаем только те товары, в качестве которых мы уверены

Возврат товара в течение 21 дня

У вас есть 21 день для того чтобы протестировать вашу покупку