Лоток лестничный 100х200, лонжерон 2 мм,L 3 м
Лоток лестничный 100х200, лонжерон 2 мм,L 3 м
4 55100 

Лоток лестничный 100х200, лонжерон 2 мм,L 3 м

326109
10 дн.
Гарантии безопасности
21 день на возврат
Безопасная онлайн-оплата
Официальная гарантия производителя
Стоимость и сроки доставки
Код товара326109
Описание
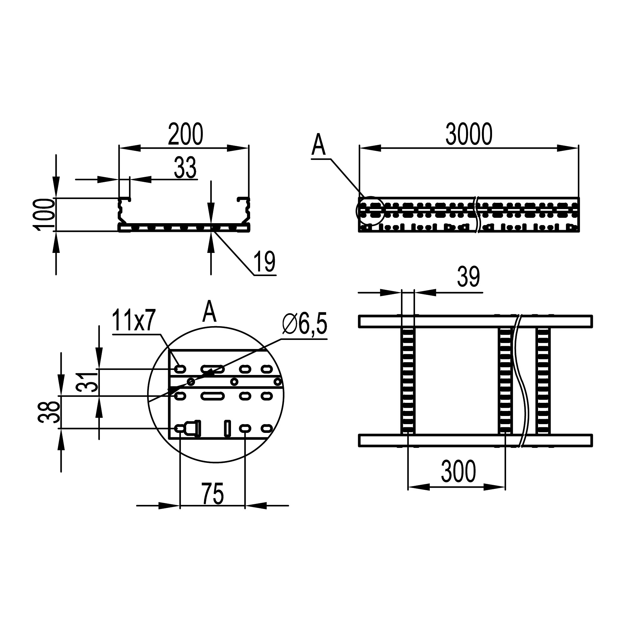
Конструкция лотков позволяет выдерживать высокие нагрузки при прокладке кабеля на больших расстояниях, что подтверждено испытаниями согласно п.10.3.3 ГОСТа 52868-2007. Также лоток обладает высокой вибростойкостью, устойчивостью к изгибу, и соответствует требованиям по сейсмостойкости до 9 баллов. Толщина стали -2 мм, высота лотка -100 мм, ширина -200 мм, длина -3000 мм. Исполнение – "Сендземир"
Характеристики изделия
Цвет .......... Светло-серый
Ширина, мм .......... 200
Высота, мм .......... 100
Защитное покрытие поверхности .......... Оцинковка горячим способом по методу сендзимира
Тип ступени .......... Перфорированный профиль
Перфорированная боковая стенка .......... Да
Вид/ марка материала .......... Сталь
Длина, мм .......... 3000
Материал .......... Сталь
Полезное сечение, мм² .......... 16000
Исполнение для больших расстояний (усиленный) .......... Да
Тип бокового профиля .......... Профиль (открытый)
Расстояние между ступеньками/ поперечинами, мм .......... 300
Фиксация ступени .......... Полностью заклепано
Особенности
Массо-габаритные характеристики
Вес, кг
6.82
Единица измерения
м
Заводская упаковка
3.0 м
Объем, м3
0.02
Общие характеристики
Страна происхождения
Россия
Штрихкод
4690309222928
Код товара
326109
Производитель
DKC
Артикул производителя
ULH312
Основные характеристики
Высота, мм
100
Длина, мм
3000
Материал изделия
сталь
Покрытие
горячий цинк
Серия
u5 combitech
Тип изделия
лоток лестничный
Ширина, мм
200
Дополнительные характеристики
Цвет
светло-серый
Отзывы

Отзывы не найдены

Возможно, вас это заинтересует
  • Самые популярные
  • Распродажа
  • Недавно просмотренные
 
Быстро и качественно доставляем

Наша компания производит доставку по всей России и ближнему зарубежью

Гарантия качества и сервисное обслуживание

Мы предлагаем только те товары, в качестве которых мы уверены

Возврат товара в течение 21 дня

У вас есть 21 день для того чтобы протестировать вашу покупку