Лестничный лоток 100х600, L 3000, стеклопластик
Лестничный лоток 100х600, L 3000, стеклопластик
6 36078 

Лестничный лоток 100х600, L 3000, стеклопластик

287346
10 дн.
Гарантии безопасности
21 день на возврат
Безопасная онлайн-оплата
Официальная гарантия производителя
Стоимость и сроки доставки
Код товара287346
Описание
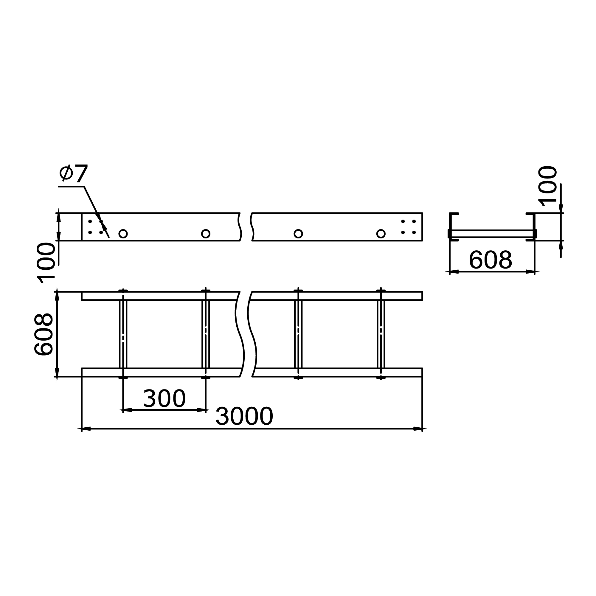
Лотки "G5 Combitech" лестничного типа представляют собой два лонжерона, соединенных поперечинами. Конструкция лестничных лотков обеспечивает хорошую вентиляцию кабельной трассы. Стеклопластиковые лотки отличаются малым весом и высокой несущей способностью. Они не подвержены коррозии, бактериальному разложению, появлению грибка. Это позволяет применять стеклопластиковые лотки в условиях агрессивной среды, на химических производствах, и других промышленных объектах, устанавливать их в прибрежных районах и морских зонах. Благодаря тому, что стеклопластик – диэлектрик, заземлять трассу на основе лотков и аксессуаров системы "G5 Combitech" не требуется. Лоток имеет длину 3 метра, ширину 600 мм и высоту борта 100 мм.
Характеристики изделия
Цвет .......... Светло-серый
Ширина, мм .......... 600
Высота, мм .......... 100
Тип ступени .......... Перфорированный профиль
Перфорированная боковая стенка .......... Да
Вид/ марка материала .......... Стеклопластик (фиберглас, grp)
Материал .......... Прочее
Полезное сечение, мм² .......... 48000
Исполнение для больших расстояний (усиленный) .......... Да
Тип бокового профиля .......... Профиль (открытый)
Расстояние между ступеньками/ поперечинами, мм .......... 300
Фиксация ступени .......... Полностью заклепано
Длина, мм .......... 3000
Особенности
Массо-габаритные характеристики
Вес, кг
3.767
Единица измерения
м
Заводская упаковка
3.0 м
Объем, м3
0.06
Общие характеристики
Страна происхождения
Россия
Штрихкод
4690309678008
Код товара
287346
Производитель
DKC
Артикул производителя
GLL31060R
Основные характеристики
Высота, мм
100
Длина, мм
3000
Материал изделия
стеклопластик
Серия
g5 combitech
Тип изделия
лоток лестничный
Ширина, мм
600
Дополнительные характеристики
Цвет
светло-серый
Отзывы

Отзывы не найдены

Возможно, вас это заинтересует
  • Самые популярные
  • Распродажа
  • Недавно просмотренные
 
Быстро и качественно доставляем

Наша компания производит доставку по всей России и ближнему зарубежью

Гарантия качества и сервисное обслуживание

Мы предлагаем только те товары, в качестве которых мы уверены

Возврат товара в течение 21 дня

У вас есть 21 день для того чтобы протестировать вашу покупку