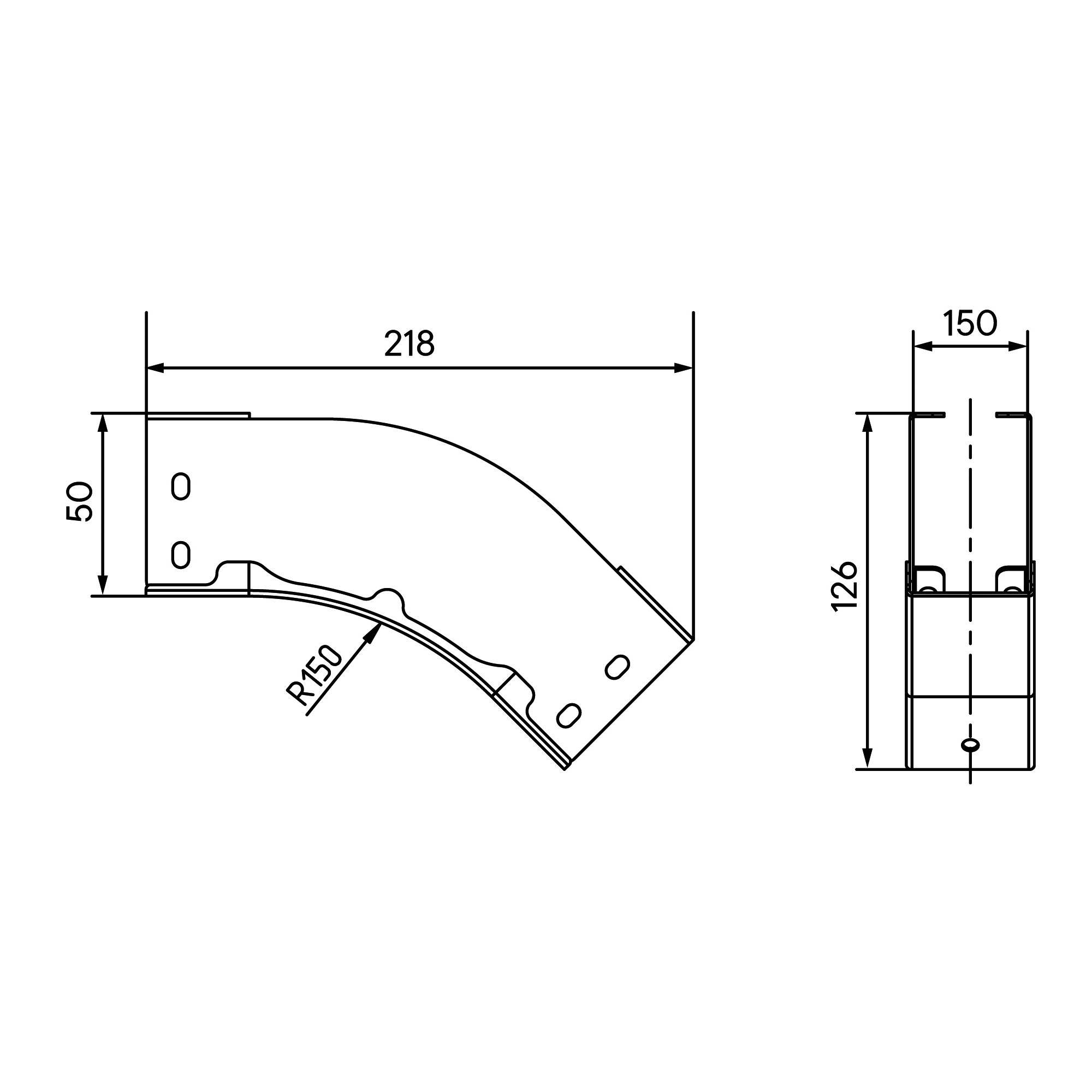
Угол вертикальный внешний 45 градусов 50х150, 2,0 мм, цинк-ламель, в комплекте с крепежными элементами и соединительными пластинами, необходимыми для монтажа
Характеристики изделия
Модель/исполнение .......... С соединит. разъемом в комплектеТолщина материала, мм .......... 2
Отклонение (угол) .......... 45°
Вид/ марка материала .......... Сталь
Материал .......... Сталь
Ширина кабельного лотка, мм .......... 150
Высота кабельного лотка, мм .......... 50
Nato монтажные отверстия .......... Нет
Защитное покрытие поверхности .......... Непрерывное гальваническое цинк-алюминиевое покрытие
Нержавеющая сталь травлёная .......... Нет
Исполнение для больших расстояний (усиленный) .......... Нет
Подходит для обеспеч. целостности цепи (огнестойкость) .......... Нет
Отзывы не найдены
