
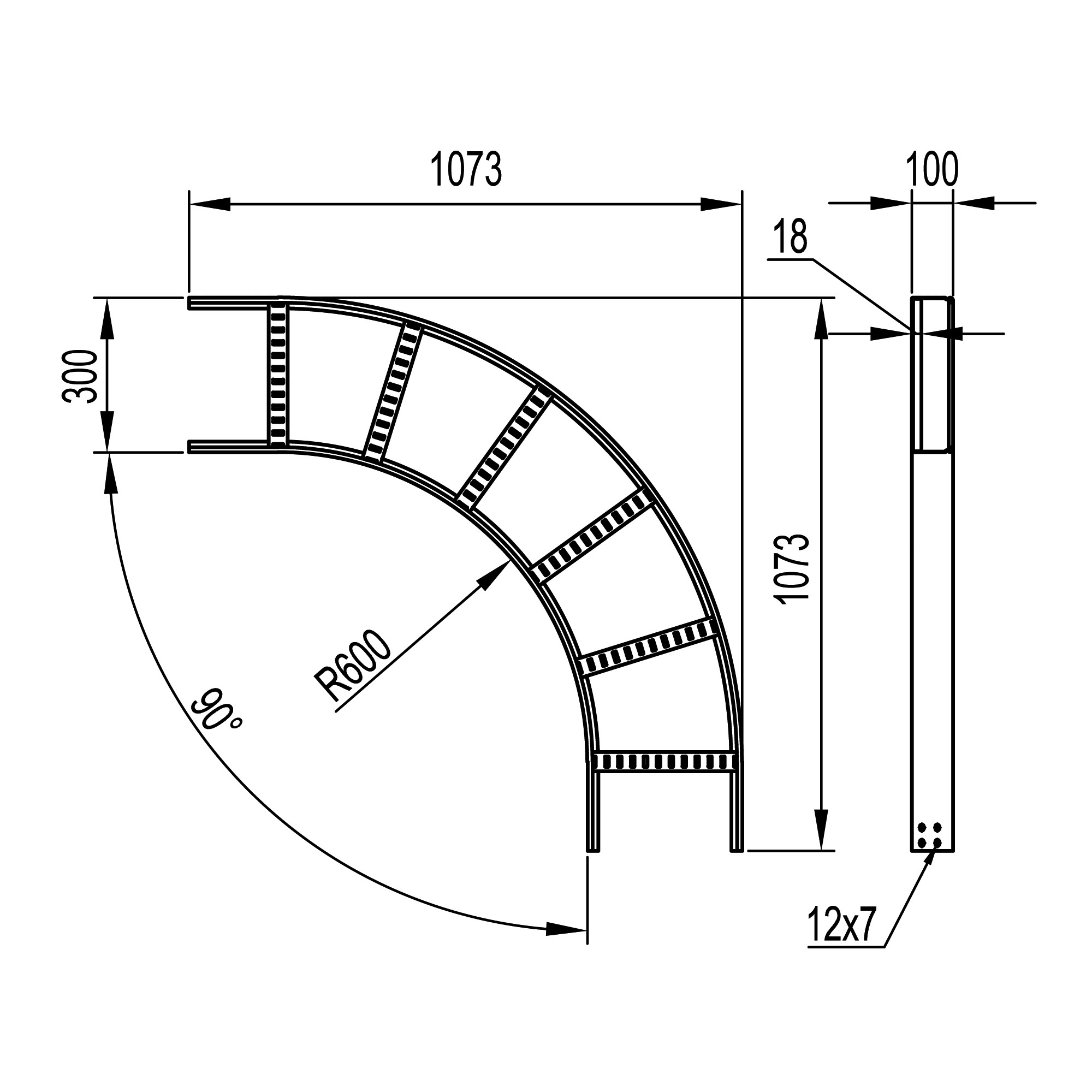
Угол горизонтальный 90 градусов 100х300 R-600 в комплекте с крепежными элементами и соединительными пластинами, необходимыми для монтажа, горячеоцинкованный
Характеристики изделия
Модель/исполнение .......... С соединит. разъемом в комплектеОтклонение (угол) .......... 90°
Шарнирный (-ая) .......... Нет
Ширина лестничного лотка, мм .......... 300
Высота лестничного лотка (боковой стенки), мм .......... 100
Изменение направления .......... Горизонтальн.
Исполнение изгиба .......... Плавный изгиб
Цвет .......... Светло-серый
Защитное покрытие поверхности .......... Горячее цинкование
Тип ступени .......... Перфорированный профиль
Вид/ марка материала .......... Сталь
Материал .......... Сталь
Тип бокового профиля .......... Профиль (открытый)
Подходит для обеспеч. целостности цепи (огнестойкость) .......... Да
Отзывы не найдены