Угловой соединитель H 150 мм
Характеристики изделия
Защитное покрытие поверхности .......... Оцинковка горячим способом по методу сендзимираВид/ марка материала .......... Сталь
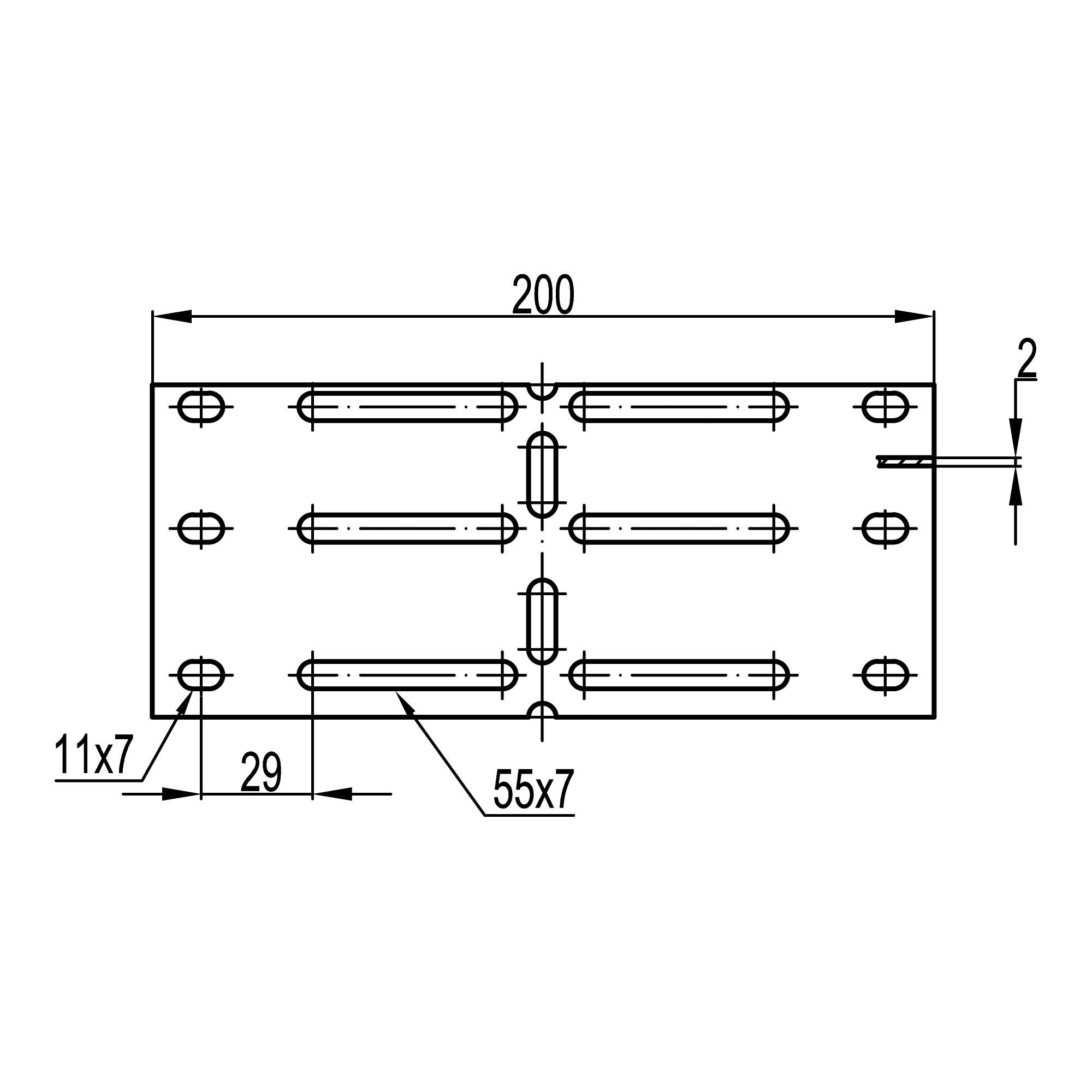
Длина, мм .......... 200
Материал .......... Сталь
Подходит для лотка высотой, мм .......... 150
Подходит для лотка шириной, мм .......... 50...600
Цвет .......... Светло-серый
Модель/исполнение .......... Соединитель угловой
Тип соединения .......... Винтовой разъем
Ширина, мм .......... 134
Отзывы не найдены
