Угловой соединитель H 200 мм, цинк-ламел
Угловой соединитель H 200 мм, цинк-ламел
3 92765 

Угловой соединитель H 200 мм, цинк-ламел

347809
10 дн.
Гарантии безопасности
21 день на возврат
Безопасная онлайн-оплата
Официальная гарантия производителя
Стоимость и сроки доставки
Код товара347809
Описание
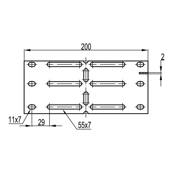
Для прочного соединения элементов системы "U5 Combitech" между собой применяются соединители различных типов. Они подбираются под параметры лотков и аксессуаров. Угловой соединитель крепится на стыки лотков под нужным углом, позволяя осуществлять изгиб трассы под произвольным углом. Соединитель крепится болтами М6х16 (код СМ010616) и гайками М6 (код СМ100600). На аксессуар уже нанесена перфорация для монтажа. Данный соединитель совместим с кабельными лотками с высотой борта 200 мм. Аксессуары в исполнении "Цинк-ламельное покрытие" имеют покрытие на основе магниевой смолы с цинковыми и алюминиевыми хлопьями и демонстрирует лучшие показатели коррозионной устойчивости, чем цинковое покрытие той же толщины, и лишь ненамного уступает нержавеющей стали.
Характеристики изделия
Защитное покрытие поверхности .......... Цинк-ламельное покрытие
Вид/ марка материала .......... Сталь
Длина, мм .......... 200
Материал .......... Сталь
Подходит для лотка высотой, мм .......... 200
Подходит для лотка шириной, мм .......... 50...600
Цвет .......... Светло-серый
Модель/исполнение .......... Соединитель угловой
Тип соединения .......... Винтовой разъем
Ширина, мм .......... 200
Особенности
Массо-габаритные характеристики
Вес, кг
0.615
Единица измерения
шт
Заводская упаковка
2.0 шт
Объем, м3
0.00008
Общие характеристики
Страна происхождения
Россия
Штрихкод
4690309357781
Код товара
347809
Производитель
DKC
Артикул производителя
UHH020HDZL
Основные характеристики
Высота, мм
50
Материал изделия
Сталь
Серия
u5 combitech
Тип изделия
Соединитель
Ширина, мм
50-600
Дополнительные характеристики
Длина, мм
200
Покрытие
Цинк-ламель
Тип соединения
винтовой разъем
Цвет
Светло-серый
Отзывы

Отзывы не найдены

Возможно, вас это заинтересует
  • Самые популярные
  • Распродажа
  • Недавно просмотренные
 
Быстро и качественно доставляем

Наша компания производит доставку по всей России и ближнему зарубежью

Гарантия качества и сервисное обслуживание

Мы предлагаем только те товары, в качестве которых мы уверены

Возврат товара в течение 21 дня

У вас есть 21 день для того чтобы протестировать вашу покупку