Соединитель горизонтальный, GTO 100 L, горячеоцинкованный
Характеристики изделия
Защитное покрытие поверхности .......... Горячее цинкованиеВид/ марка материала .......... Сталь
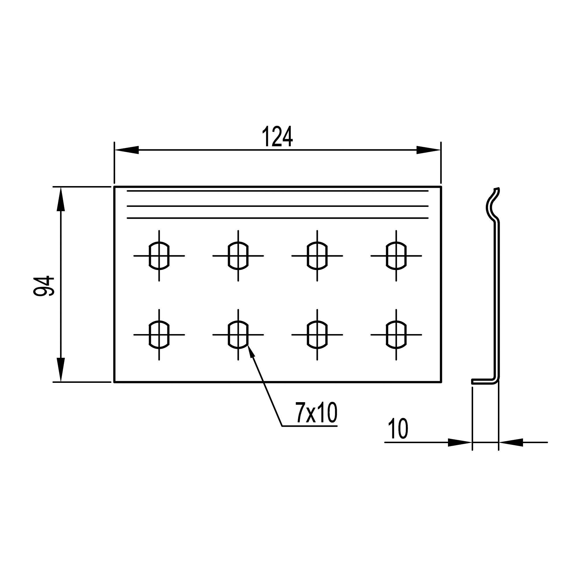
Длина, мм .......... 124
Материал .......... Сталь
Подходит для лотка высотой, мм .......... 100
Подходит для лотка шириной, мм .......... 50...600
Цвет .......... Светло-серый
Модель/исполнение .......... Соединитель продольный
Тип соединения .......... Винтовой разъем
Ширина, мм .......... 94
Отзывы не найдены
