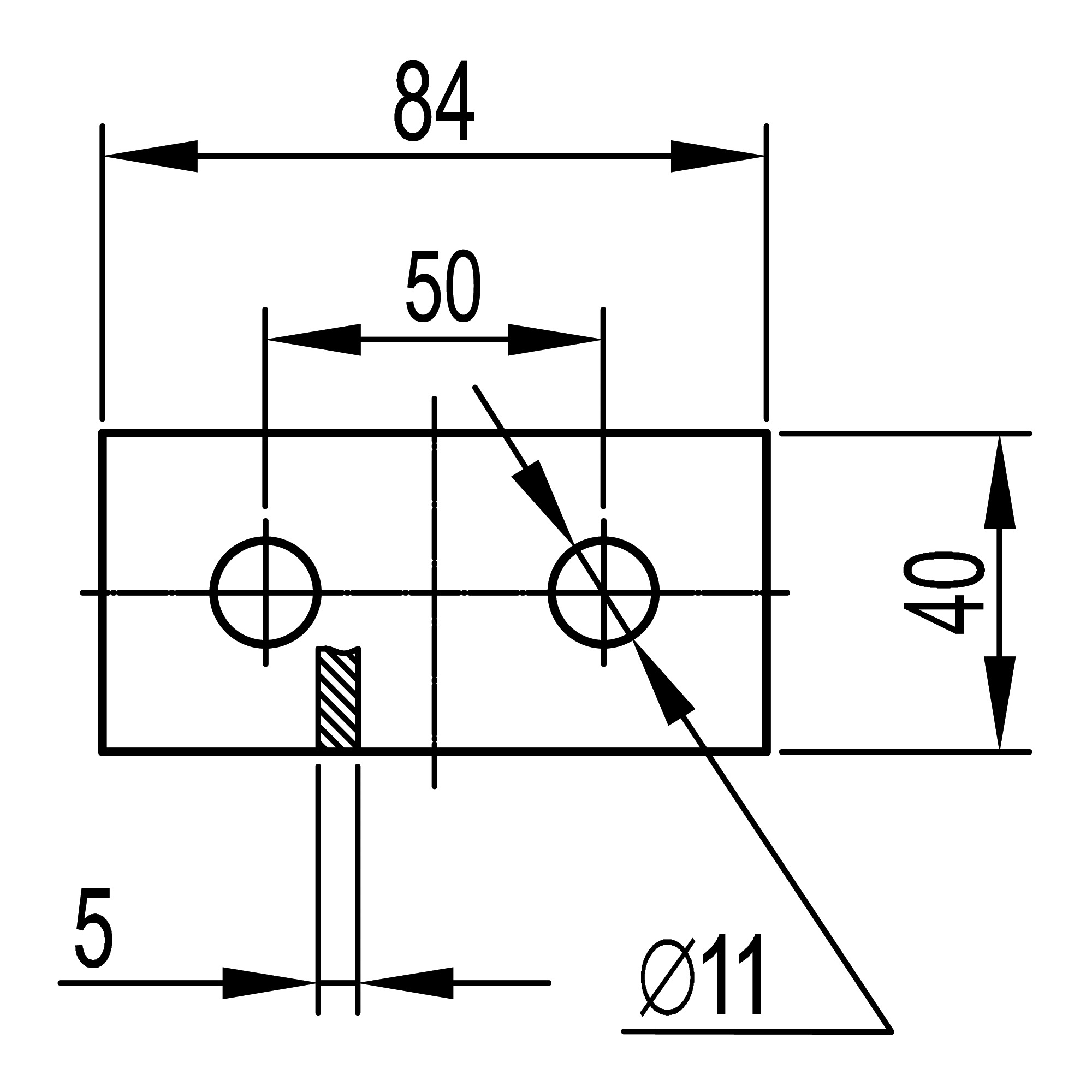
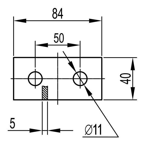
Пластина соединительная, длина 90 мм, 2отв., нержавеющая сталь AISI 304
Характеристики изделия
Вид/ марка материала .......... Нержавеющая стальДлина, мм .......... 84
Цвет .......... Светло-серый
Модель/исполнение .......... Соединитель продольный
Материал .......... Сталь
Тип соединения .......... Винтовой разъем
Ширина, мм .......... 40
Защитное покрытие поверхности .......... Необработанная
Отзывы не найдены
