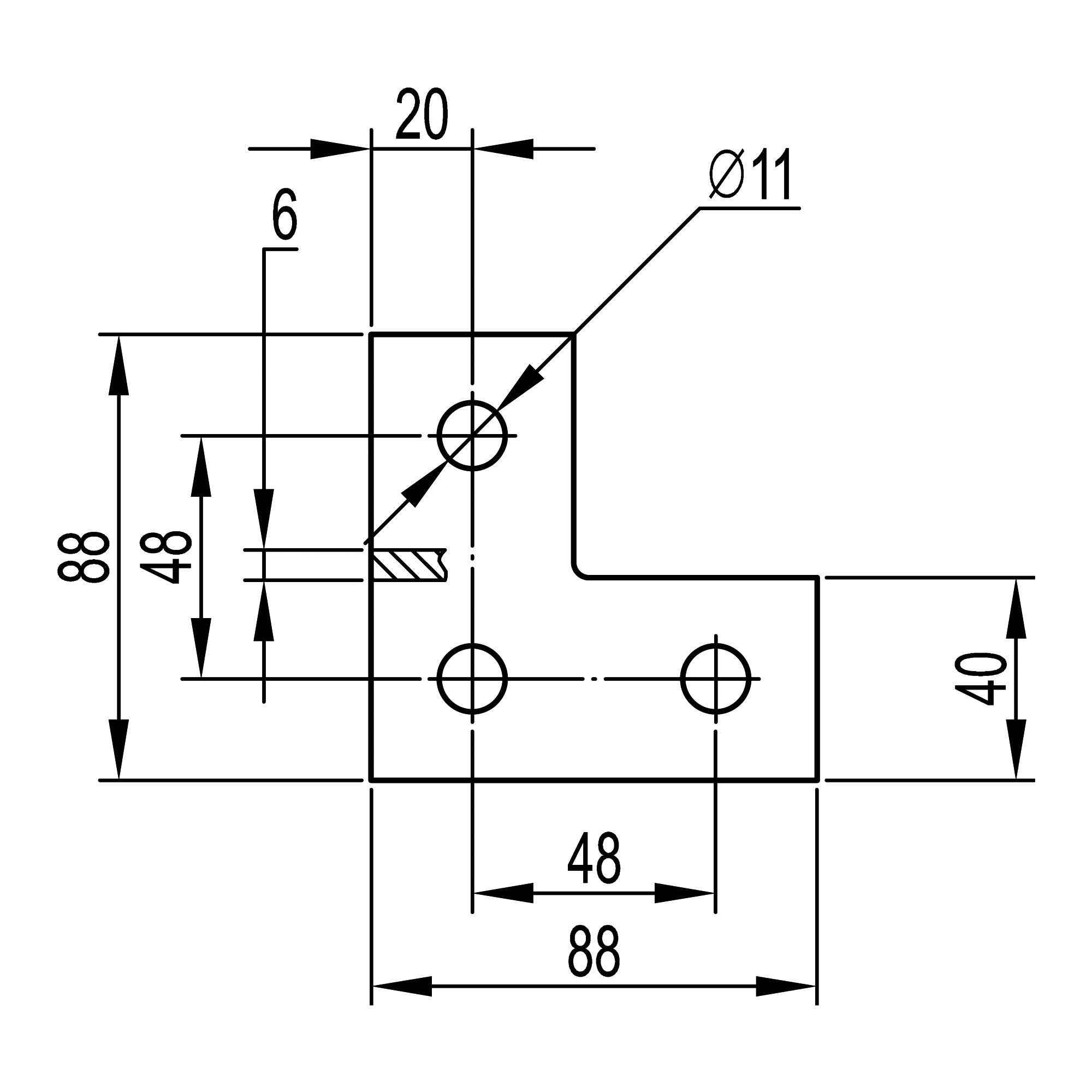
Пластина соединительная L-обр., длина 90х90 мм, 3отв., горячеоцинкованная
Характеристики изделия
Защитное покрытие поверхности .......... Горячее цинкованиеВид/ марка материала .......... Сталь
Длина, мм .......... 90
Материал .......... Сталь
Подходит для проволочного лотка .......... Да
Подходит для лестничного лотка .......... Да
Подходит для (листового) кабельного лотка .......... Да
Цвет .......... Светло-серый
Модель/исполнение .......... Соединитель продольный
Тип соединения .......... Винтовой разъем
Нержавеющая сталь травлёная .......... Да
Подходит для обеспеч. целостности цепи (огнестойкость) .......... Да
Вертикал.-поворотный/шарнирный .......... Да
Ширина, мм .......... 40
Отзывы не найдены
