Накладка GGB для лотка осн.300, горячеоцинкованная
Характеристики изделия
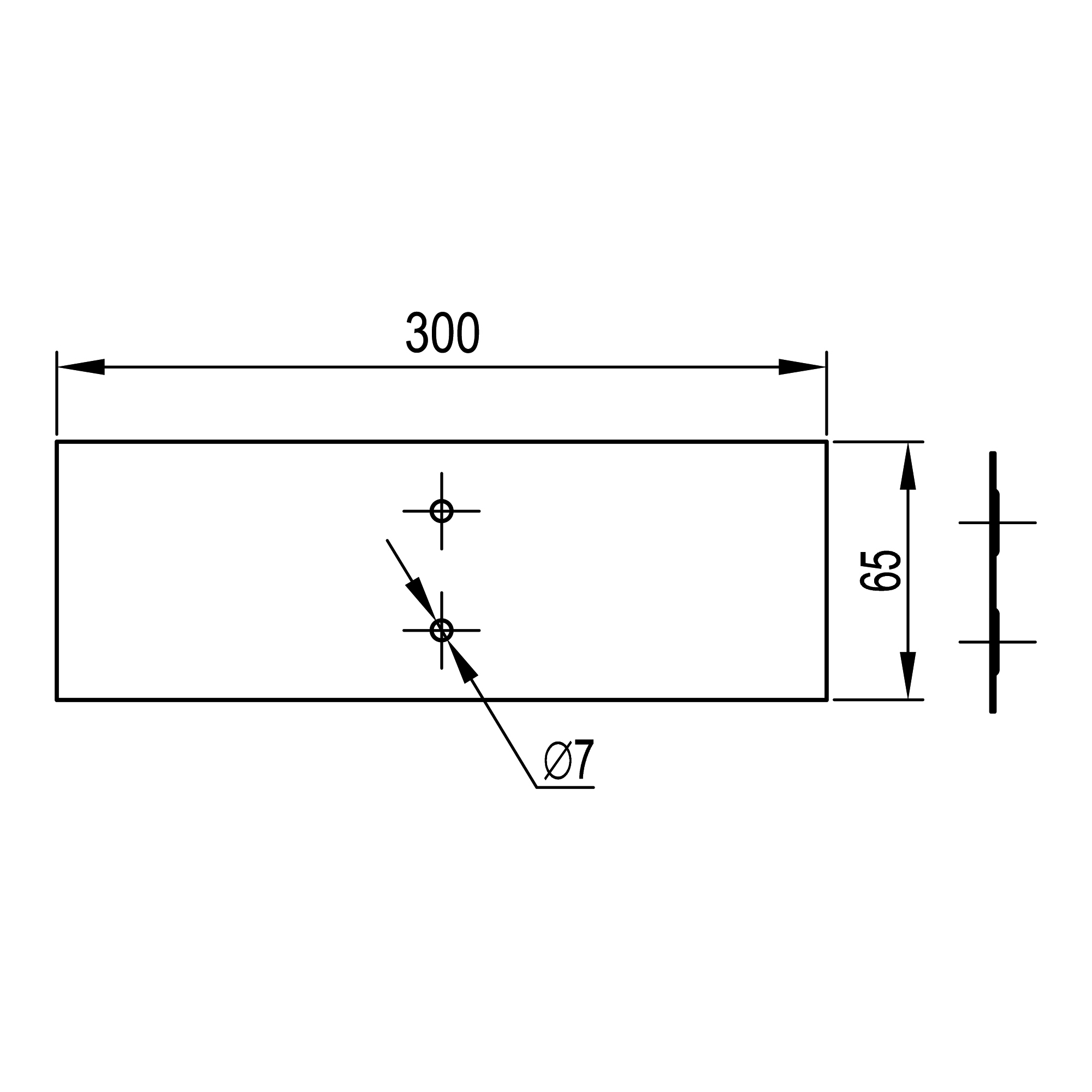
Защитное покрытие поверхности .......... Горячее цинкованиеДлина, мм .......... 300
Материал .......... Сталь
Подходит для лотка высотой, мм .......... 100
Подходит для лотка шириной, мм .......... 300...300
Цвет .......... Светло-серый
Модель/исполнение .......... Соединительная накладка на стык основания лотка
Тип соединения .......... Винтовой разъем
Вид/ марка материала .......... Сталь
Ширина, мм .......... 65
Отзывы не найдены
