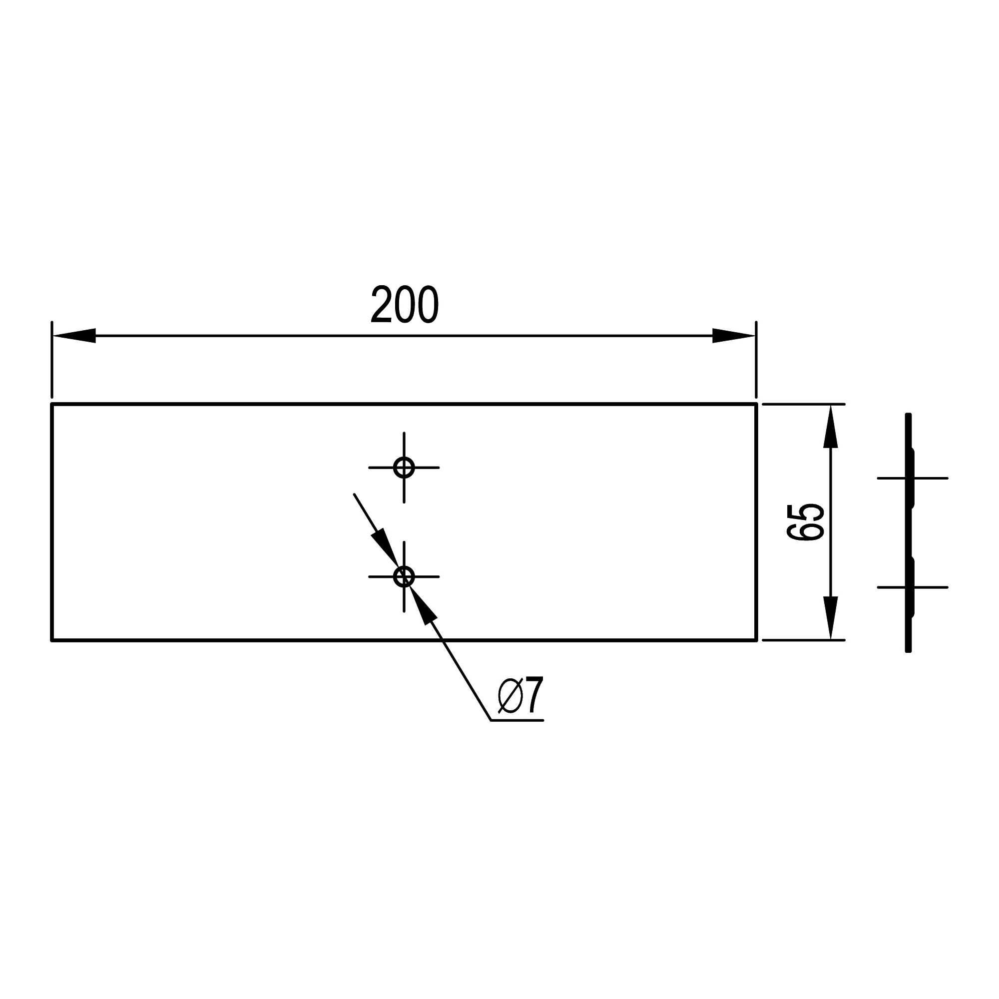
Накладка GGB для лотка осн.200, горячеоцинкованная
Характеристики изделия
Защитное покрытие поверхности .......... Горячее цинкованиеВид/ марка материала .......... Сталь
Длина, мм .......... 200
Материал .......... Сталь
Подходит для лотка высотой, мм .......... 100
Подходит для лотка шириной, мм .......... 200...200
Цвет .......... Светло-серый
Модель/исполнение .......... Соединительная накладка на стык основания лотка
Тип соединения .......... Винтовой разъем
Ширина, мм .......... 65
Отзывы не найдены
