Пластина крепежная GSV H100 (4 шт.) в комплекте с метизами, необходимымидля монтажа
Пластина крепежная GSV H100 (4 шт.) в комплекте с метизами, необходимымидля монтажа
86638 

Пластина крепежная GSV H100 (4 шт.) в комплекте с метизами, необходимымидля монтажа

485840
10 дн.
Гарантии безопасности
21 день на возврат
Безопасная онлайн-оплата
Официальная гарантия производителя
Стоимость и сроки доставки
Код товара485840
Описание
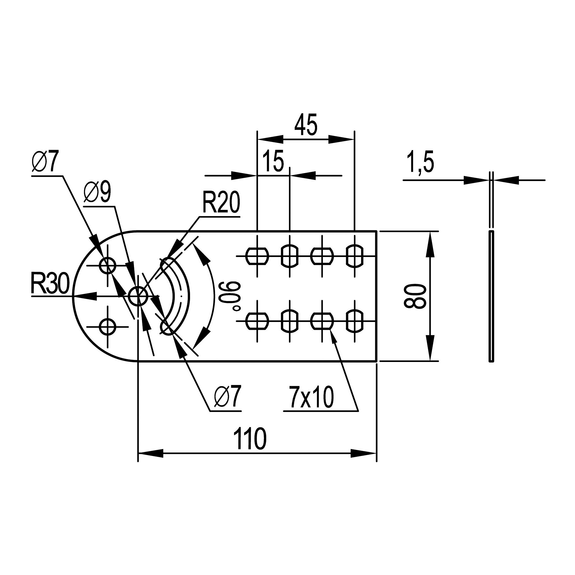
Система листовых лотков  "S5 Combitech" включает в себя не только сами лотки, но также аксессуары, которые позволяют проектировать и строить сложные кабельные трассы нестандартного конструктива. Крепежная пластина GSV – это шарнирный соединитель для лотков, применение которого позволяет поменять уровень прокладки трассы, наклонив ее под произвольным углом (угол регулируется движением болта по дугообразному пазу). Пластина закрепляется на боковых стенках лотка гайками с насечками М6 и винтами М6х10. Исполнение аксессуара – "сталь, оцинкованная по методу Сендзимира". Пластина подходит для применения с лотками высотой 100 мм и шириной от 50 до 600 мм. В комплект входят 4 пластины и включены необходимые для монтажа метизы.
Характеристики изделия
Защитное покрытие поверхности .......... Оцинковка горячим способом по методу сендзимира
Материал .......... Сталь
Подходит для лотка высотой, мм .......... 100
Подходит для лотка шириной, мм .......... 50...600
Длина, мм .......... 140
Цвет .......... Светло-серый
Вид/ марка материала .......... Сталь
Модель/исполнение .......... Соединительная накладка на стык основания лотка
Тип соединения .......... Винтовой разъем
Ширина, мм .......... 80
Вертикал.-поворотный/шарнирный .......... Да
Особенности
Массо-габаритные характеристики
Вес, кг
0.56
Единица измерения
упак
Заводская упаковка
1.0 упак
Объем, м3
0.00028
Общие характеристики
Страна происхождения
Россия
Штрихкод
4690309537466,4690309610466,4690309612057,4690309612064
Код товара
485840
Производитель
DKC
Артикул производителя
30015K
Основные характеристики
Высота, мм
120
Материал изделия
Сталь
Серия
s5 combitech
Тип изделия
Пластина
Ширина, мм
120
Дополнительные характеристики
Длина, мм
140
Покрытие
Горячий цинк
Тип соединения
винтовой разъем
Цвет
Светло-серый
Отзывы

Отзывы не найдены

Возможно, вас это заинтересует
  • Самые популярные
  • Распродажа
  • Недавно просмотренные
 
Быстро и качественно доставляем

Наша компания производит доставку по всей России и ближнему зарубежью

Гарантия качества и сервисное обслуживание

Мы предлагаем только те товары, в качестве которых мы уверены

Возврат товара в течение 21 дня

У вас есть 21 день для того чтобы протестировать вашу покупку