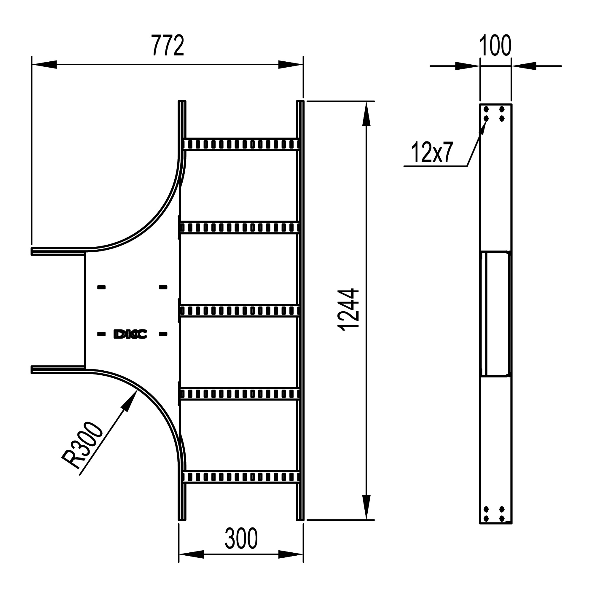
Т-ответвитель 100х300 R300 в комплекте с крепежными элементами и соединительными пластинами, необходимыми для монтажа, цинк-ламельный
Характеристики изделия
Цвет .......... Светло-серыйЗащитное покрытие поверхности .......... Цинк-ламельное покрытие
Тип ступени .......... Перфорированный профиль
Вид/ марка материала .......... Сталь
Материал .......... Сталь
Внутр. радиус, мм .......... 300
Ширина лестничного лотка, мм .......... 300
Высота лестничного лотка (боковой стенки), мм .......... 100
Исполнение для больших расстояний (усиленный) .......... Нет
Симметричная модель .......... Да
Тип бокового профиля .......... Профиль (открытый)
Подходит для обеспеч. целостности цепи (огнестойкость) .......... Нет
Отзывы не найдены
