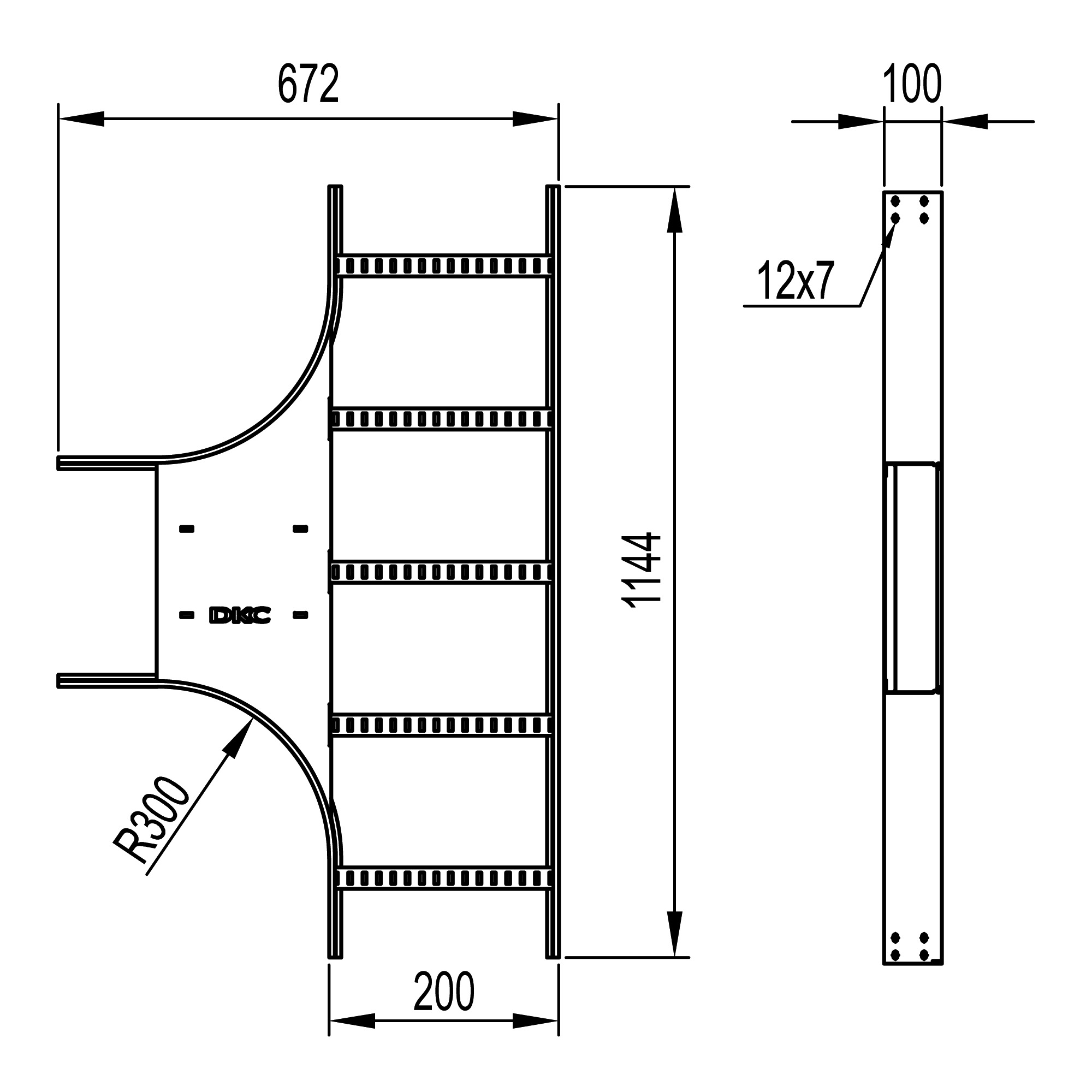
Т-ответвитель 100х200 R-300 в комплекте с крепежными элементами и соединительными пластинами, необходимыми для монтажа
Характеристики изделия
Цвет .......... Светло-серыйЗащитное покрытие поверхности .......... Оцинковка горячим способом по методу сендзимира
Тип ступени .......... Перфорированный профиль
Вид/ марка материала .......... Сталь
Материал .......... Сталь
Внутр. радиус, мм .......... 300
Ширина лестничного лотка, мм .......... 200
Высота лестничного лотка (боковой стенки), мм .......... 100
Исполнение для больших расстояний (усиленный) .......... Нет
Симметричная модель .......... Да
Тип бокового профиля .......... Профиль (открытый)
Подходит для обеспеч. целостности цепи (огнестойкость) .......... Нет
Отзывы не найдены
