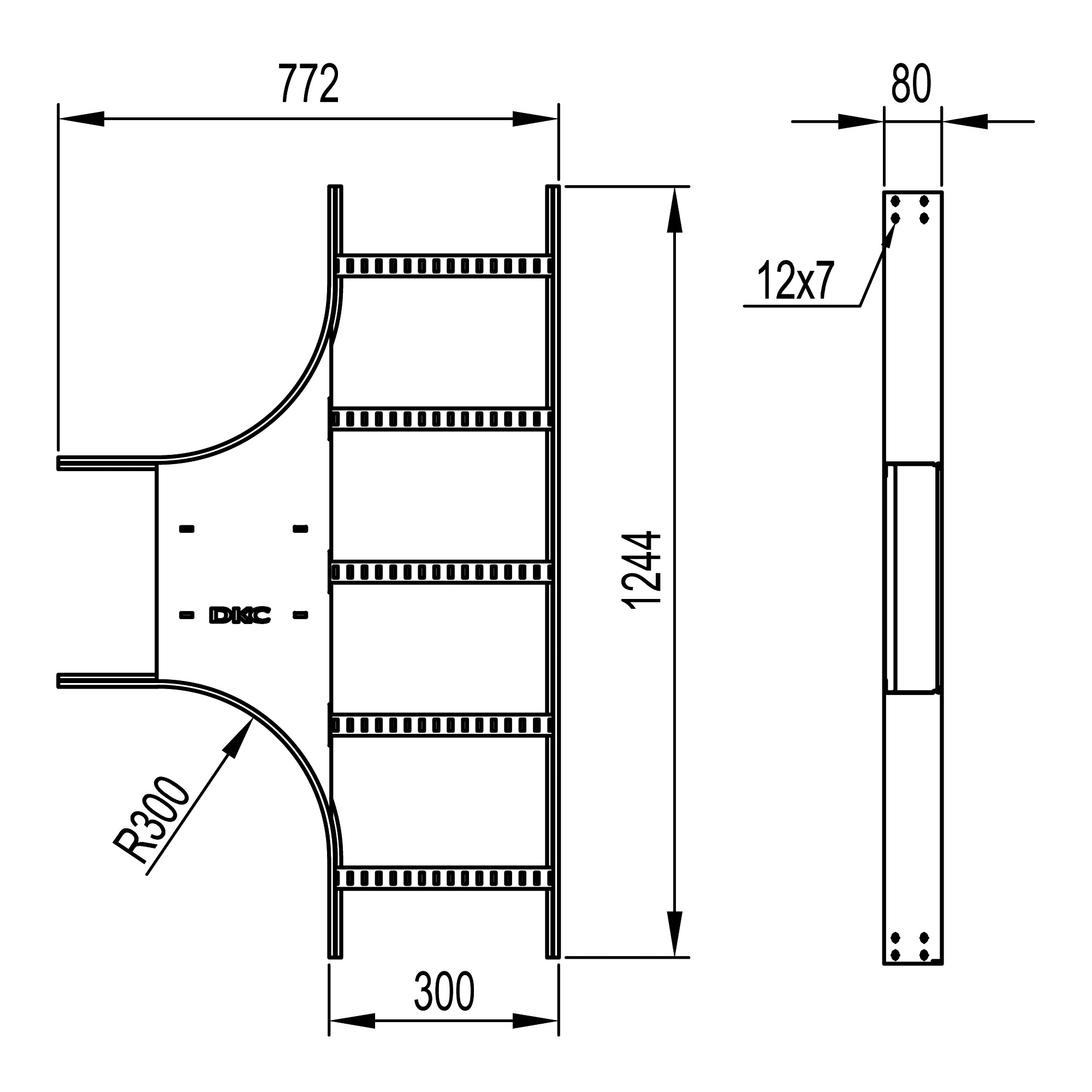
Т-ответвитель 80х300 R-300, лонжерон 1,5 мм, горячеоцинкованный, в комплекте с крепежными элементами и соединительными пластинами, необходимыми для монтажа
Характеристики изделия
Цвет .......... Светло-серыйМодель/исполнение .......... С соединит. разъемом в комплекте
Защитное покрытие поверхности .......... Горячее цинкование
Тип ступени .......... Перфорированный профиль
Материал .......... Сталь
Внутр. радиус, мм .......... 300
Ширина лестничного лотка, мм .......... 300
Высота лестничного лотка (боковой стенки), мм .......... 80
Исполнение для больших расстояний (усиленный) .......... Нет
Тип бокового профиля .......... Профиль (открытый)
Вид/ марка материала .......... Сталь оцинкованная
Отзывы не найдены
