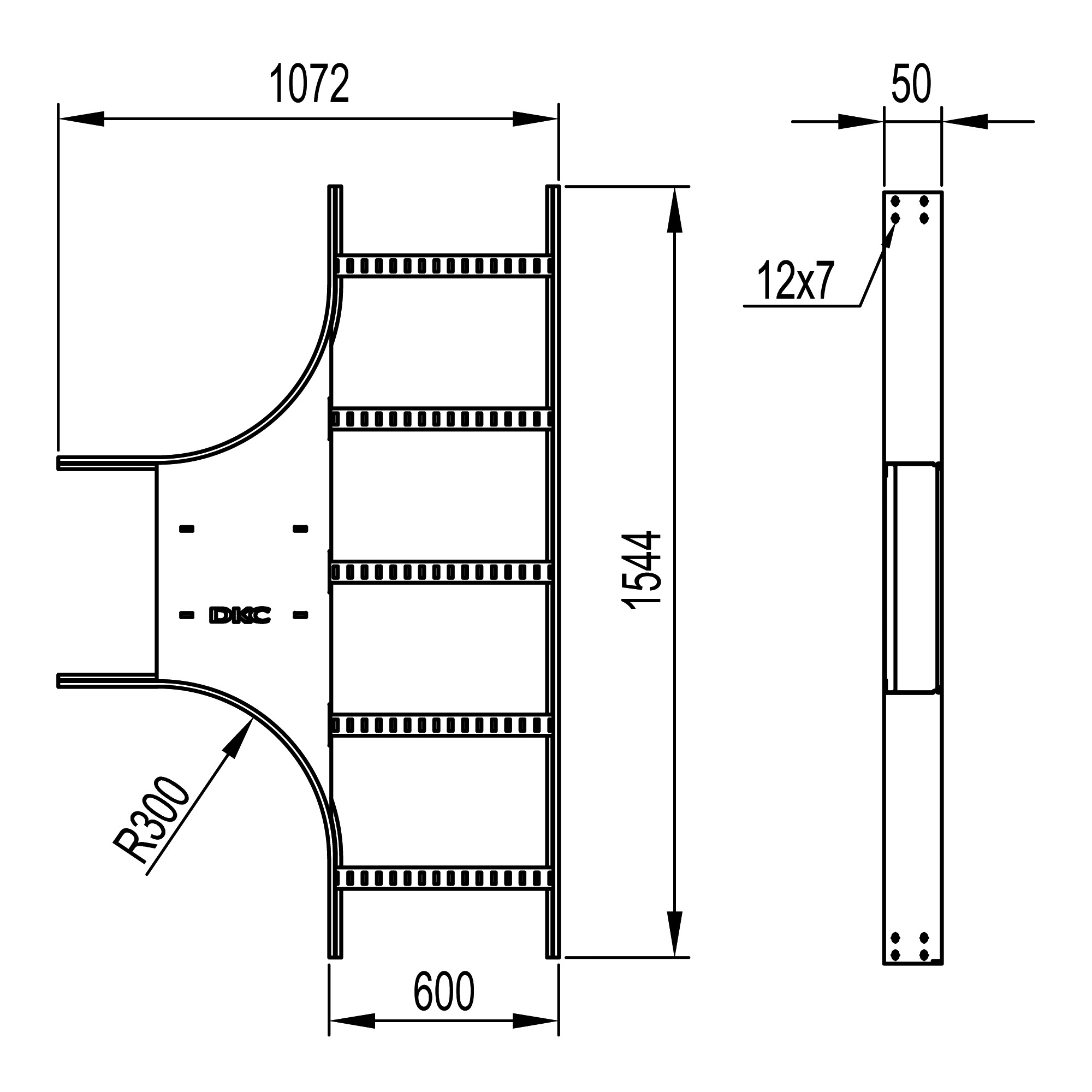
Т-ответвитель 50х600 R-300, лонжерон 1,5 мм, в комплекте с крепежными элементами и соединительными пластинами, необходимыми для монтажа
Характеристики изделия
Цвет .......... Светло-серыйМодель/исполнение .......... С соединит. разъемом в комплекте
Защитное покрытие поверхности .......... Оцинковка горячим способом по методу сендзимира
Тип ступени .......... Перфорированный профиль
Материал .......... Сталь
Внутр. радиус, мм .......... 300
Ширина лестничного лотка, мм .......... 600
Высота лестничного лотка (боковой стенки), мм .......... 50
Исполнение для больших расстояний (усиленный) .......... Нет
Тип бокового профиля .......... Профиль (открытый)
Вид/ марка материала .......... Сталь оцинкованная
Отзывы не найдены
