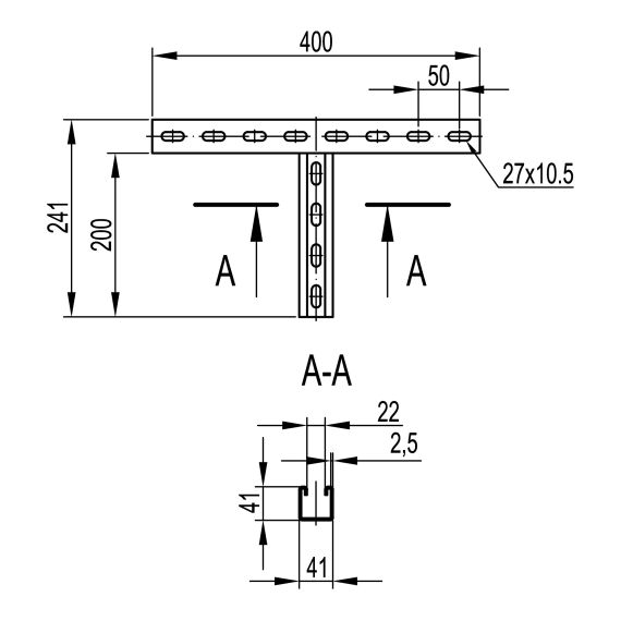
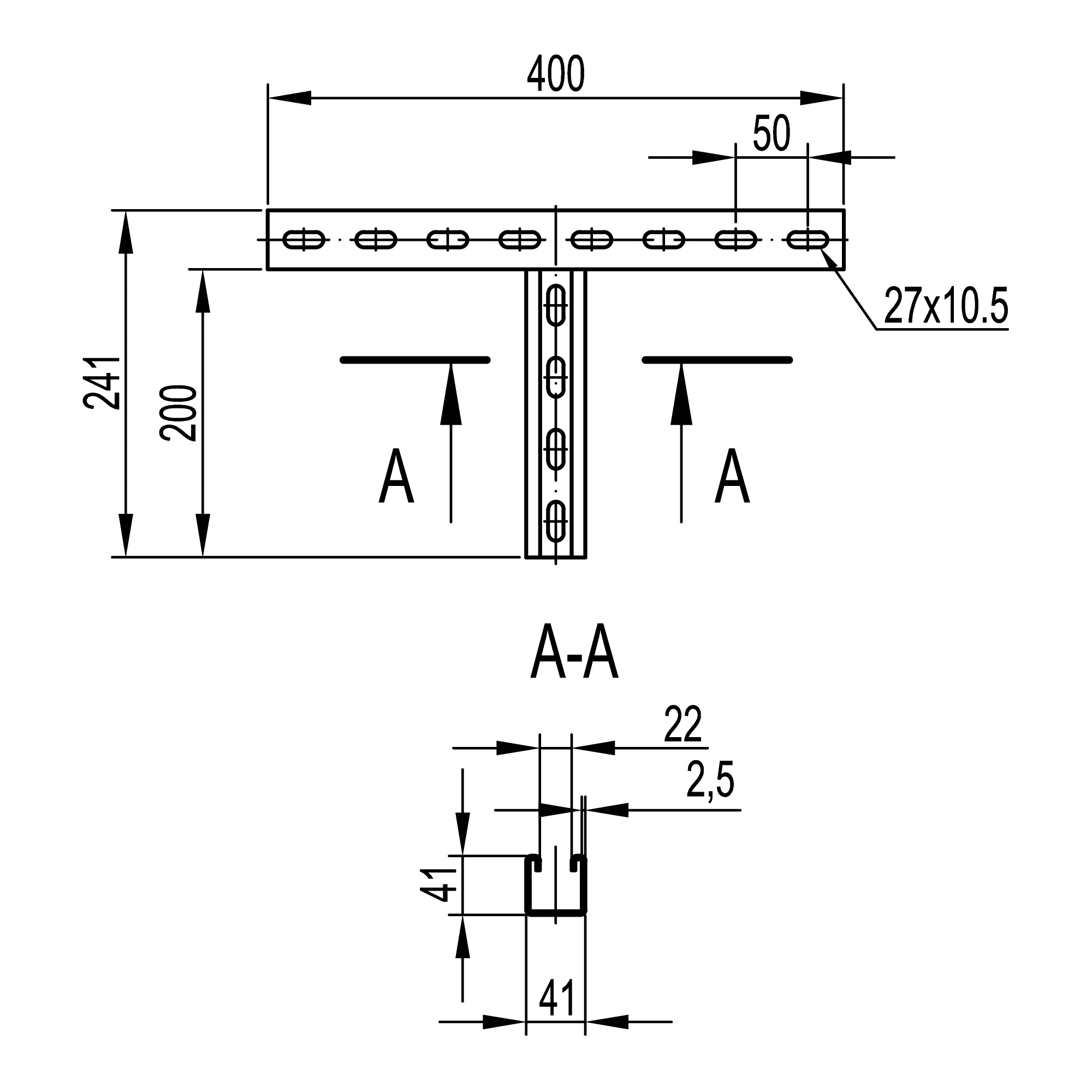
T-образное крепление к вертикальной двутавровой балке, 200 мм, INOX 304
Характеристики изделия
Модель/исполнение .......... Одинарный профильВысота, мм .......... 241
Толщина материала, мм .......... 2.5
Вид/ марка материала .......... Нержавеющая сталь
Длина, мм .......... 400
Материал .......... Сталь
Несущая способность, кн .......... 2450
Тип перфорации .......... Перфорация с 2-х сторон
Форма профиля .......... Т-профиль
Ширина отверстия, мм .......... 10.5
Цвет .......... Светло-серый
Подходит для обеспеч. целостности цепи (огнестойкость) .......... Да
Отзывы не найдены
