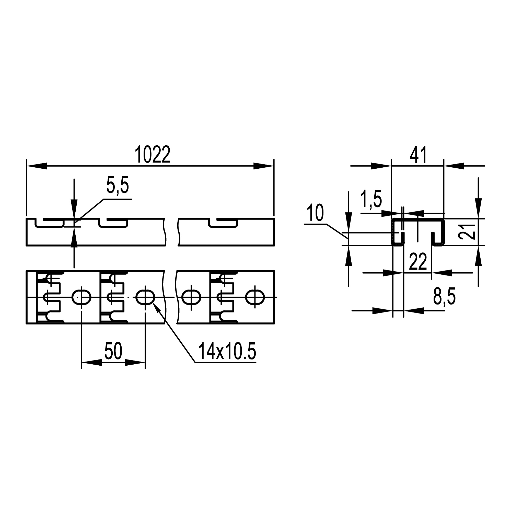
С-обр. профиль для пров. лотка 41х21, L1000, толщ.1,5 мм
Характеристики изделия
Модель/исполнение .......... Одинарный профильВысота, мм .......... 41
Защитное покрытие поверхности .......... Непрерывное холодное цинкование
Толщина материала, мм .......... 1.5
С системой зубьев (зубчатым зацеплением) .......... Да
Длина, мм .......... 1000
Материал .......... Сталь
Форма профиля .......... С-профиль
Ширина прореза/щели, мм .......... 22
Ширина отверстия, мм .......... 10.5
Возможность отламывания отрезков .......... Да
Подходит для обеспеч. целостности цепи (огнестойкость) .......... Да
Цвет .......... Светло-серый
Отзывы не найдены
