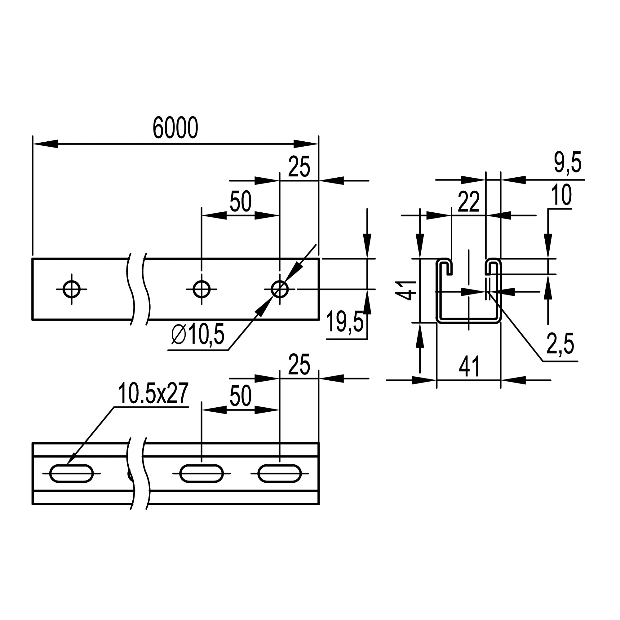
С-образный профиль 41х41, L6000, толщ.2,5 мм, цинк-ламельный
Характеристики изделия
Модель/исполнение .......... Одинарный профильВысота, мм .......... 41
Защитное покрытие поверхности .......... Непрерывное гальваническое цинк-алюминиевое покрытие
Толщина материала, мм .......... 2.5
С системой зубьев (зубчатым зацеплением) .......... Нет
Длина, мм .......... 6000
Материал .......... Сталь
Тип перфорации .......... Перфорация с 3-х сторон
Форма профиля .......... С-профиль
Ширина прореза/щели, мм .......... 22
Ширина отверстия, мм .......... 10.5
Возможность отламывания отрезков .......... Нет
Подходит для обеспеч. целостности цепи (огнестойкость) .......... Нет
Отзывы не найдены
