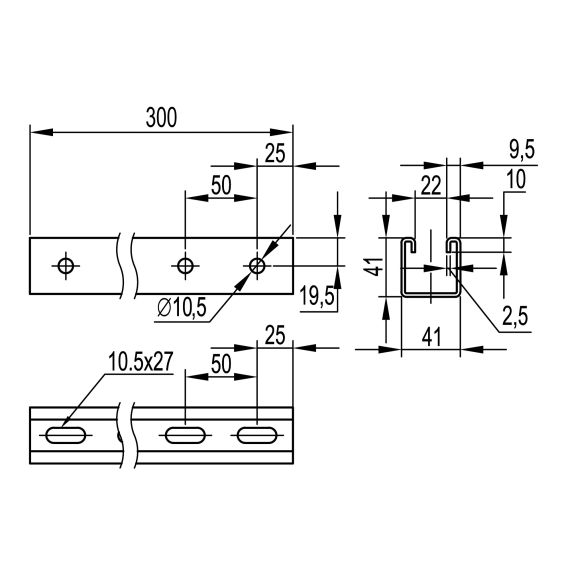
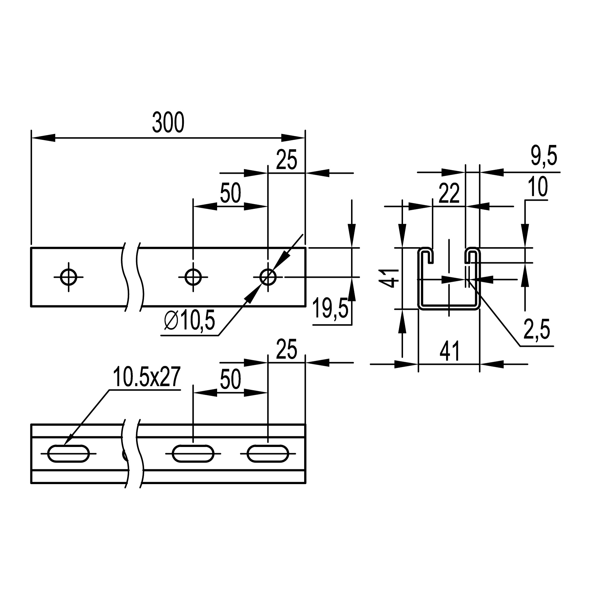
С-образный профиль 41х41, L300, толщ.2,5 мм
Характеристики изделия
Модель/исполнение .......... Одинарный профильВысота, мм .......... 41
Защитное покрытие поверхности .......... Непрерывное холодное цинкование
Толщина материала, мм .......... 2.5
С системой зубьев (зубчатым зацеплением) .......... Да
Длина, мм .......... 300
Материал .......... Сталь
Тип перфорации .......... Перфорация с 3-х сторон
Форма профиля .......... С-профиль
Ширина прореза/щели, мм .......... 22
Ширина отверстия, мм .......... 10.5
Возможность отламывания отрезков .......... Да
Подходит для обеспеч. целостности цепи (огнестойкость) .......... Да
Цвет .......... Светло-серый
Отзывы не найдены
