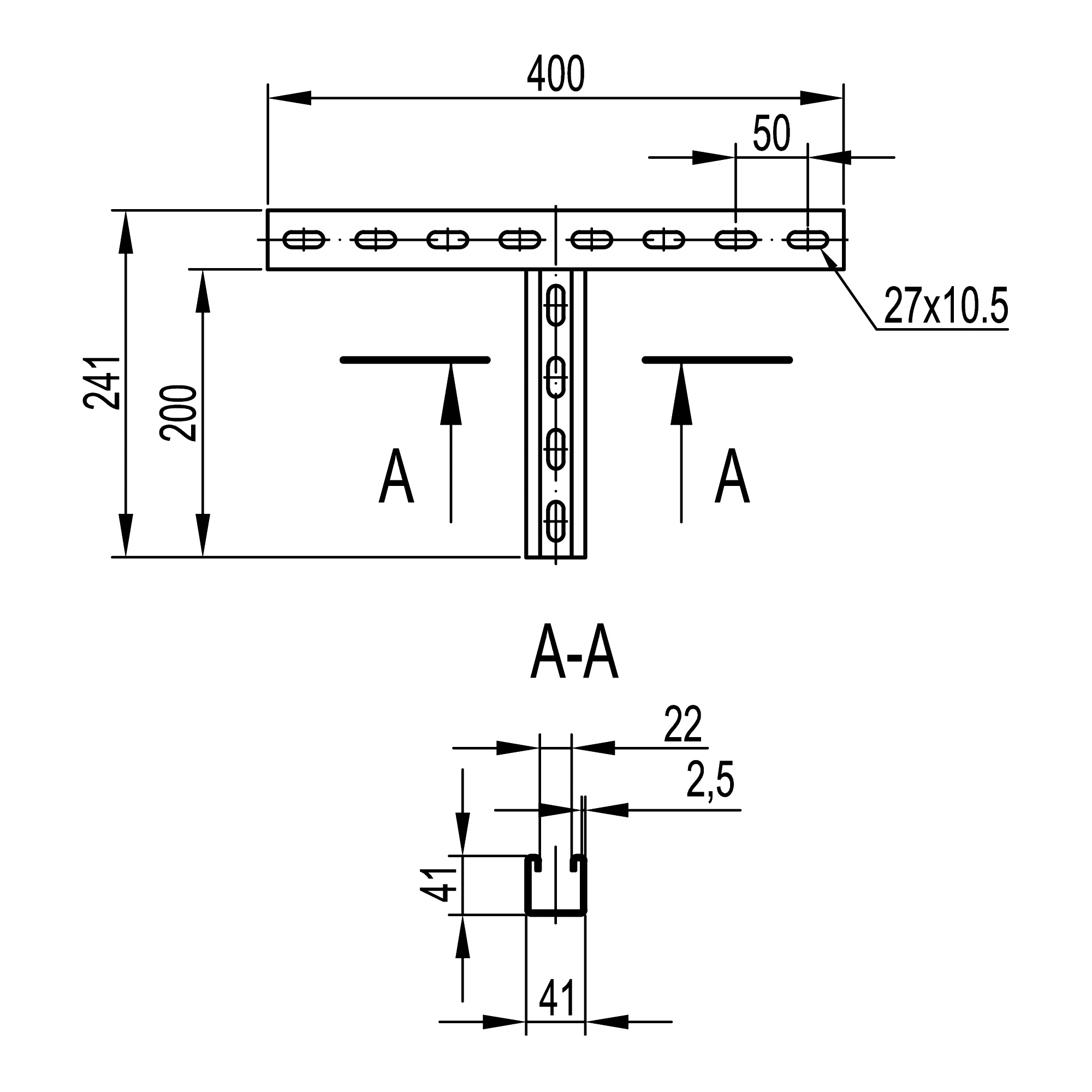
T-образное крепление к вертикальной двутавровой балке, 200 мм, горячеоцинкованное
Характеристики изделия
Модель/исполнение .......... Одинарный профильВысота, мм .......... 241
Защитное покрытие поверхности .......... Горячее цинкование
Толщина материала, мм .......... 2.5
С системой зубьев (зубчатым зацеплением) .......... Да
Длина, мм .......... 400
Материал .......... Сталь
Несущая способность, кн .......... 2450
Тип перфорации .......... Перфорация с 3-х сторон
Форма профиля .......... Т-профиль
Ширина прореза/щели, мм .......... 17
Ширина отверстия, мм .......... 10.5
Возможность отламывания отрезков .......... Да
Подходит для обеспеч. целостности цепи (огнестойкость) .......... Да
Цвет .......... Светло-серый
Отзывы не найдены
