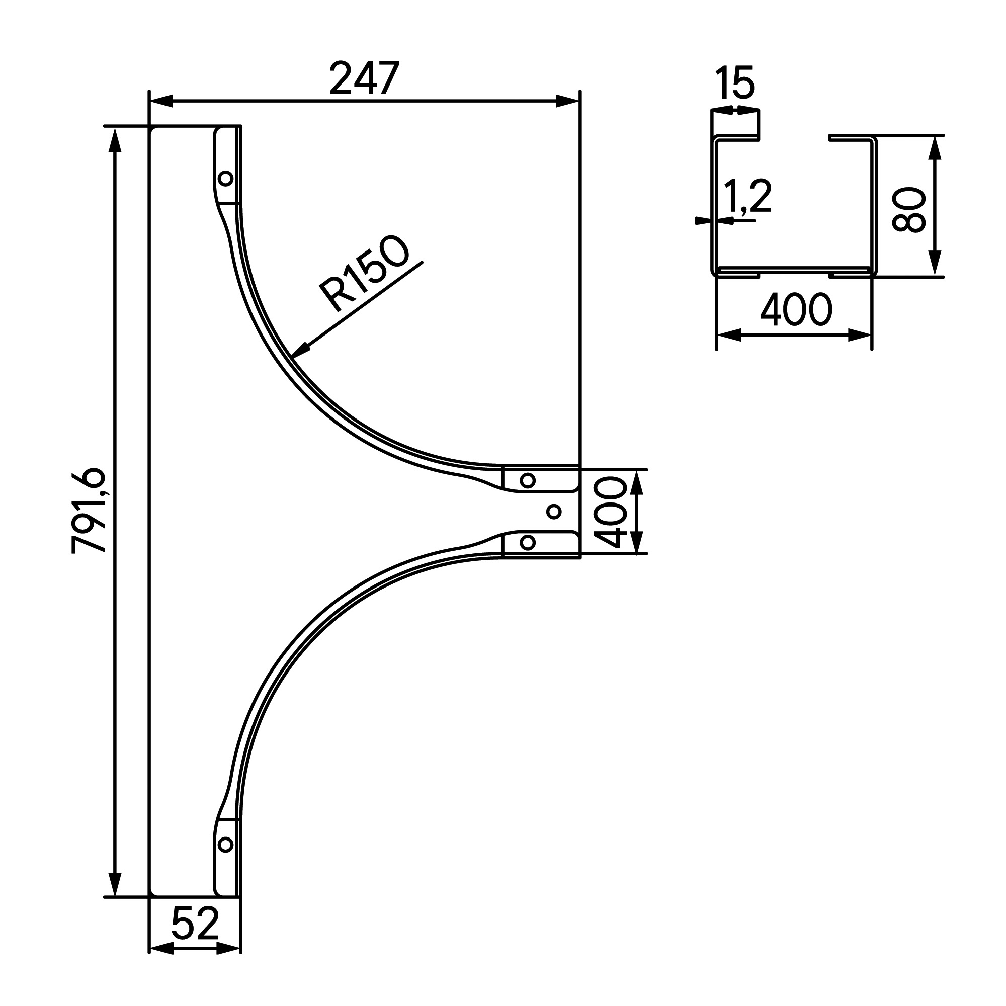
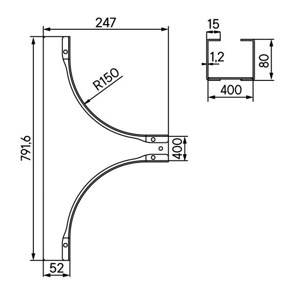
Ответвитель универсальный 80х400, 1,2 мм, цинк-ламель, в комплекте с крепежными элементами и соединительными пластинами, необходимыми для монтажа
Характеристики изделия
Высота кабельного лотка, мм .......... 80Внутр. радиус, мм .......... 150
Ширина кабельного лотка, мм .......... 400
Цвет .......... Светло-серый
Модель/исполнение .......... С соединит. разъемом в комплекте
Защитное покрытие поверхности .......... Цинк-ламельное покрытие
Толщина материала, мм .......... 1.2
Вид/ марка материала .......... Сталь оцинкованная
Материал .......... Сталь
Отзывы не найдены
