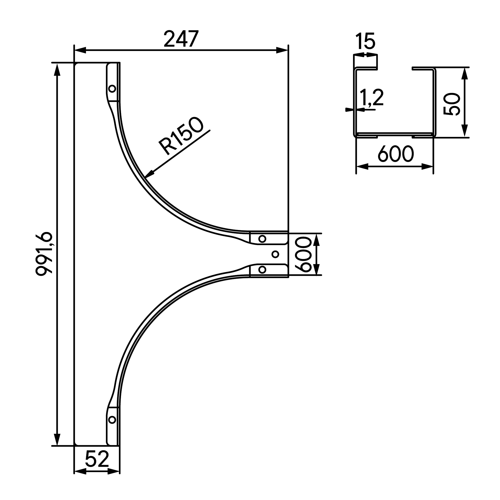
Ответвитель универсальный 50х600, 1,2 мм, цинк-ламель, в комплекте с крепежными элементами и соединительными пластинами, необходимыми для монтажа
Характеристики изделия
Внутр. радиус, мм .......... 150Ширина кабельного лотка, мм .......... 600
Цвет .......... Светло-серый
Модель/исполнение .......... С соединит. разъемом в комплекте
Защитное покрытие поверхности .......... Цинк-ламельное покрытие
Толщина материала, мм .......... 1.2
Вид/ марка материала .......... Сталь оцинкованная
Материал .......... Сталь
Высота кабельного лотка, мм .......... 50
Отзывы не найдены
