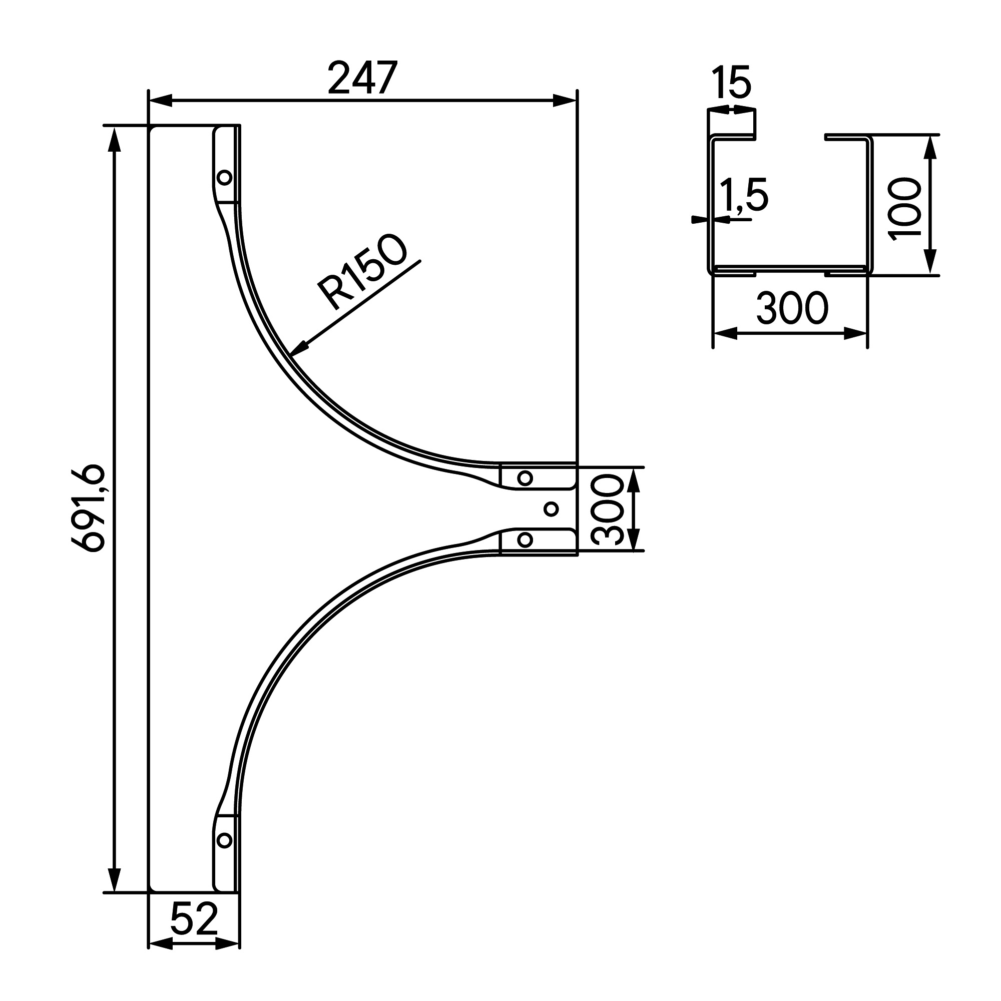
Ответвитель универсальный 100х300, 1,5 мм, горячий цинк, в комплекте с крепежными элементами и соединительными пластинами, необходимыми для монтажа
Характеристики изделия
Внутр. радиус, мм .......... 150Ширина кабельного лотка, мм .......... 300
Цвет .......... Светло-серый
Модель/исполнение .......... С соединит. разъемом в комплекте
Защитное покрытие поверхности .......... Горячее цинкование
Толщина материала, мм .......... 1.5
Вид/ марка материала .......... Сталь оцинкованная
Материал .......... Сталь
Высота кабельного лотка, мм .......... 100
Отзывы не найдены
