Ответвитель универсальный 50х50, 2,0 мм, в комплекте с крепежными элементами и соединительными пластинами, необходимыми для монтажа
Характеристики изделия
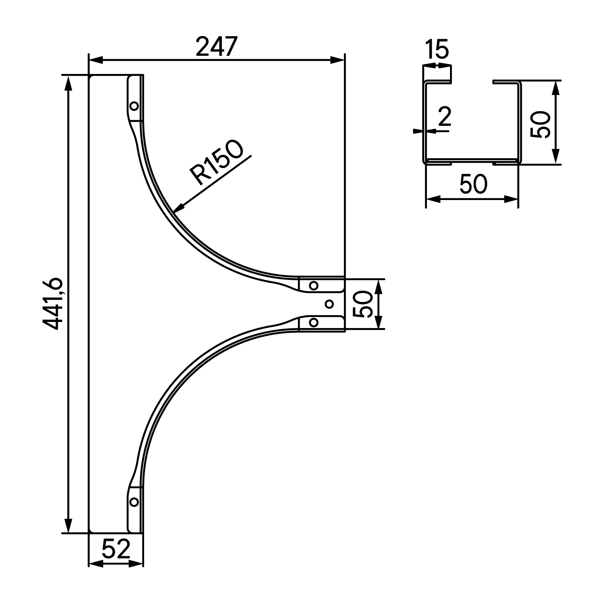
Внутр. радиус, мм .......... 150Ширина кабельного лотка, мм .......... 50
Цвет .......... Светло-серый
Модель/исполнение .......... С соединит. разъемом в комплекте
Защитное покрытие поверхности .......... Оцинковка горячим способом по методу сендзимира
Толщина материала, мм .......... 2
Вид/ марка материала .......... Сталь оцинкованная
Материал .......... Сталь
Высота кабельного лотка, мм .......... 50
Отзывы не найдены
