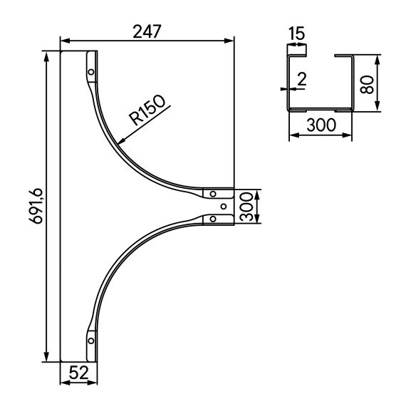
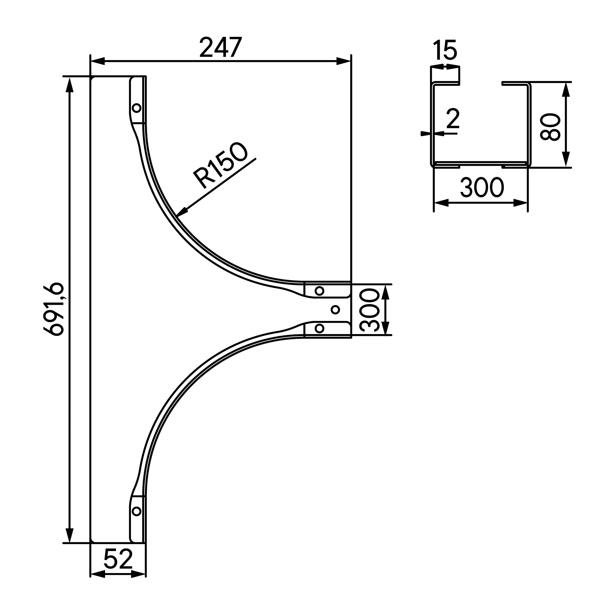
Ответвитель универсальный 80х300, 2,0 мм, алюминий, в комплекте с крепежными элементами и соединительными пластинами, необходимыми для монтажа
Характеристики изделия
Цвет .......... Светло-серыйМодель/исполнение .......... С соединит. разъемом в комплекте
Защитное покрытие поверхности .......... Без покрытия (голый)
Вид/ марка материала .......... Сталь
Материал .......... Алюминий
Ширина кабельного лотка, мм .......... 300
Высота кабельного лотка, мм .......... 80
Nato монтажные отверстия .......... Да
Нержавеющая сталь травлёная .......... Да
Исполнение для больших расстояний (усиленный) .......... Да
Подходит для обеспеч. целостности цепи (огнестойкость) .......... Да
Отзывы не найдены
