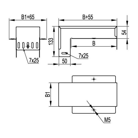
Ответвитель-крышка Т-обр. вертикальный вниз DDS 150/50 в комплекте скрепежными элементами и соединительными пластинами, необходимыми длямонтажа
Характеристики изделия
Цвет .......... Светло-серыйВысота боковой стенки, мм .......... 50
Материал .......... Сталь
Ширина лотка в горизонт. направлении, мм .......... 50
Ширина лотка в вертикал. направлении, мм .......... 150
Нержавеющая сталь травлёная .......... Да
Исполнение для больших расстояний (усиленный) .......... Да
Подходит для обеспеч. целостности цепи (огнестойкость) .......... Да
Защитное покрытие поверхности .......... Оцинковка горячим способом по методу сендзимира
Вид/ марка материала .......... Сталь
Отзывы не найдены
