Крышка-ответвитель TSS (плоск) 500/80 в комплекте с крепежными элементами и соединительными пластинами, необходимыми для монтажа, горячеоцинкованная
Крышка-ответвитель TSS (плоск) 500/80 в комплекте с крепежными элементами и соединительными пластинами, необходимыми для монтажа, горячеоцинкованная
14 86032 

Крышка-ответвитель TSS (плоск) 500/80 в комплекте с крепежными элементами и соединительными пластинами, необходимыми для монтажа, горячеоцинкованная

184191
10 дн.
Гарантии безопасности
21 день на возврат
Безопасная онлайн-оплата
Официальная гарантия производителя
Стоимость и сроки доставки
Код товара184191
Описание
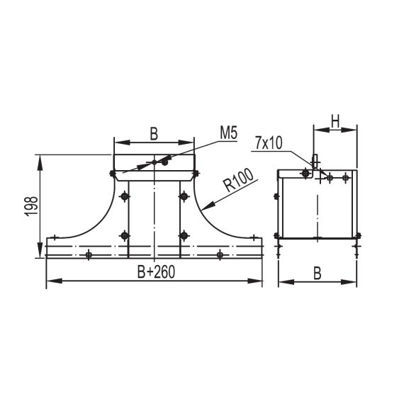
При построении кабельной трассы чаще всего требуется организовать ее изгибы и ответвления в горизонтальной и/или вертикальной плоскости. Для этого в системе "S5 Combitech" применяются аксессуары. Крышка-ответвитель TSS используется, если нужно организовать сложное ответвление кабельной трассы. Она имеет Т-образную форму. При ответвлении обеспечивается плавный изгиб, что предохраняет кабель от повреждения. Ширина лотка в горизонтальном направлении – 500 мм, в вертикальном – 500 мм, высота боковой стенки – 80 мм. Применение комплектных аксессуаров облегчает расчет числа необходимых элементов для монтажа – в комплект уже входят соединительные пластины и детали крепежа. Он выполнен в специальном исполнении "Горячий цинк", которое отличает повышенная устойчивость к коррозии. Горячеоцинкованное изделие защищено от образования ржавчины на срок 30-50 лет (в зависимости от условий, в которых эксплуатируется изделие).
Характеристики изделия
Цвет .......... Светло-серый
Защитное покрытие поверхности .......... Горячее цинкование
Высота боковой стенки, мм .......... 80
Материал .......... Сталь
Ширина лотка в горизонт. направлении, мм .......... 500
Ширина лотка в вертикал. направлении, мм .......... 500
Нержавеющая сталь травлёная .......... Да
Исполнение для больших расстояний (усиленный) .......... Да
Подходит для обеспеч. целостности цепи (огнестойкость) .......... Да
Вид/ марка материала .......... Сталь
Особенности
Массо-габаритные характеристики
Вес, кг
5.52
Единица измерения
упак
Заводская упаковка
1.0 упак
Объем, м3
0.0779
Общие характеристики
Страна происхождения
Россия
Штрихкод
4690309506844
Код товара
184191
Производитель
DKC
Артикул производителя
37227KHDZ
Основные характеристики
Высота, мм
198
Материал изделия
Сталь
Покрытие
Горячий цинк
Серия
s5 combitech
Тип изделия
Крышка-ответвитель
Ширина, мм
500
Дополнительные характеристики
Цвет
Светло-серый
Отзывы

Отзывы не найдены

Возможно, вас это заинтересует
  • Самые популярные
  • Распродажа
  • Недавно просмотренные
 
Быстро и качественно доставляем

Наша компания производит доставку по всей России и ближнему зарубежью

Гарантия качества и сервисное обслуживание

Мы предлагаем только те товары, в качестве которых мы уверены

Возврат товара в течение 21 дня

У вас есть 21 день для того чтобы протестировать вашу покупку