Т-Ответвитель вверх TS осн.200 в комплекте с крепежными элементами и соединительными пластинами, необходимыми для монтажа
Т-Ответвитель вверх TS осн.200 в комплекте с крепежными элементами и соединительными пластинами, необходимыми для монтажа
6 08359 

Т-Ответвитель вверх TS осн.200 в комплекте с крепежными элементами и соединительными пластинами, необходимыми для монтажа

293078
10 дн.
Гарантии безопасности
21 день на возврат
Безопасная онлайн-оплата
Официальная гарантия производителя
Стоимость и сроки доставки
Код товара293078
Описание
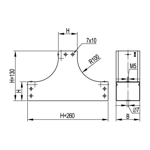
Ответвители – это аксессуары, облегчающие построение кабельных трасс сложной геометрии, с поворотами и изгибами. Они позволяют создавать ответвления кабельной трассы. Ответвитель TS имеет Т-образную форму и применяется для организации ответвлений в вертикальной плоскости. Его конструктив обеспечивает плавный поворот и предупреждает повреждение кабеля при прокладке. При применении вместе с крышкой обеспечивается высокая степень пыле- и влагозащиты кабеля – до IP 44, и простой доступ к кабелю, т.к. крышку можно снять при необходимости. Исполнение – "сталь, оцинкованная по методу Сендзимира". Высота боковой стенки лотка – 80 мм, ширина в горизонтальном направлении – 200 мм, ширина в вертикальном направлении – 200 мм.Применение комплектных аксессуаров облегчает расчет числа необходимых элементов для монтажа – в комплект уже входят соединительные пластины и детали крепежа.
Характеристики изделия
Цвет .......... Светло-серый
Высота боковой стенки, мм .......... 80
Материал .......... Сталь
Ширина лотка в горизонт. направлении, мм .......... 200
Ширина лотка в вертикал. направлении, мм .......... 200
Нержавеющая сталь травлёная .......... Да
Исполнение для больших расстояний (усиленный) .......... Да
Подходит для обеспеч. целостности цепи (огнестойкость) .......... Да
Защитное покрытие поверхности .......... Оцинковка горячим способом по методу сендзимира
Вид/ марка материала .......... Сталь
Особенности
Массо-габаритные характеристики
Вес, кг
2.2
Единица измерения
упак
Заводская упаковка
1.0 упак
Объем, м3
0.01428
Общие характеристики
Страна происхождения
Россия
Штрихкод
4690309512913
Код товара
293078
Производитель
DKC
Артикул производителя
37204K
Основные характеристики
Высота, мм
210
Материал изделия
Сталь
Покрытие
оцинковано по методу сендзимира
Серия
s5 combitech
Тип изделия
Ответвитель T-образный
Ширина, мм
200
Дополнительные характеристики
Цвет
Светло-серый
Отзывы

Отзывы не найдены

Возможно, вас это заинтересует
  • Самые популярные
  • Распродажа
  • Недавно просмотренные
 
Быстро и качественно доставляем

Наша компания производит доставку по всей России и ближнему зарубежью

Гарантия качества и сервисное обслуживание

Мы предлагаем только те товары, в качестве которых мы уверены

Возврат товара в течение 21 дня

У вас есть 21 день для того чтобы протестировать вашу покупку