Т-Ответвитель вверх TS 150/80 в комплекте с крепежными элементами и соединительными пластинами, необходимыми для монтажа, горячеоцинкованный
Т-Ответвитель вверх TS 150/80 в комплекте с крепежными элементами и соединительными пластинами, необходимыми для монтажа, горячеоцинкованный
9 68820 

Т-Ответвитель вверх TS 150/80 в комплекте с крепежными элементами и соединительными пластинами, необходимыми для монтажа, горячеоцинкованный

231733
10 дн.
Гарантии безопасности
21 день на возврат
Безопасная онлайн-оплата
Официальная гарантия производителя
Стоимость и сроки доставки
Код товара231733
Описание
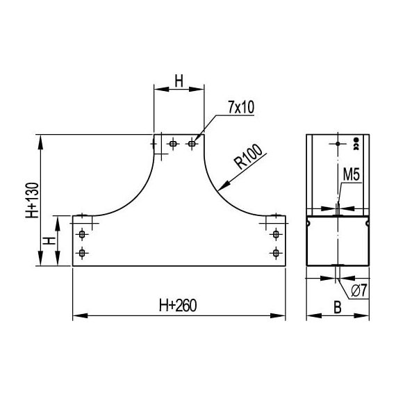
Ответвители – это аксессуары, облегчающие построение кабельных трасс сложной геометрии, с поворотами и изгибами. Они позволяют создавать ответвления кабельной трассы. Ответвитель TS имеет Т-образную форму и применяется для организации ответвлений в вертикальной плоскости. Его конструктив обеспечивает плавный поворот и предупреждает повреждение кабеля при прокладке. При применении вместе с крышкой обеспечивается высокая степень пыле- и влагозащиты кабеля – до IP 44, и простой доступ к кабелю, т.к. крышку можно снять при необходимости. Высота боковой стенки лотка – 80 мм, ширина в горизонтальном направлении – 150 мм, ширина в вертикальном направлении – 150 мм. Применение комплектных аксессуаров облегчает расчет числа необходимых элементов для монтажа – в комплект уже входят соединительные пластины и детали крепежа. Он выполнен в специальном исполнении "Горячий цинк", которое отличает повышенная устойчивость к коррозии. Горячеоцинкованное изделие защищено от образования ржавчины на срок 30-50 лет (в зависимости от условий, в которых эксплуатируется изделие).
Характеристики изделия
Цвет .......... Светло-серый
Защитное покрытие поверхности .......... Горячее цинкование
Высота боковой стенки, мм .......... 80
Материал .......... Сталь
Ширина лотка в горизонт. направлении, мм .......... 150
Ширина лотка в вертикал. направлении, мм .......... 150
Нержавеющая сталь травлёная .......... Да
Исполнение для больших расстояний (усиленный) .......... Да
Подходит для обеспеч. целостности цепи (огнестойкость) .......... Да
Вид/ марка материала .......... Сталь
Особенности
Массо-габаритные характеристики
Вес, кг
2.13
Единица измерения
упак
Заводская упаковка
1.0 упак
Объем, м3
0.01071
Общие характеристики
Страна происхождения
Россия
Штрихкод
4690309506721
Код товара
231733
Производитель
DKC
Артикул производителя
37203KHDZ
Основные характеристики
Высота, мм
210
Материал изделия
Сталь
Покрытие
Горячий цинк
Серия
s5 combitech
Тип изделия
Ответвитель T-образный
Ширина, мм
150
Дополнительные характеристики
Цвет
Светло-серый
Отзывы

Отзывы не найдены

Возможно, вас это заинтересует
  • Самые популярные
  • Распродажа
  • Недавно просмотренные
 
Быстро и качественно доставляем

Наша компания производит доставку по всей России и ближнему зарубежью

Гарантия качества и сервисное обслуживание

Мы предлагаем только те товары, в качестве которых мы уверены

Возврат товара в течение 21 дня

У вас есть 21 день для того чтобы протестировать вашу покупку