Т-Ответвитель вверх TS 80/80 в комплекте с крепежными элементами исоединительными пластинами, необходимыми для монтажа, цинк-ламельный
Т-Ответвитель вверх TS 80/80 в комплекте с крепежными элементами исоединительными пластинами, необходимыми для монтажа, цинк-ламельный
8 49145 

Т-Ответвитель вверх TS 80/80 в комплекте с крепежными элементами исоединительными пластинами, необходимыми для монтажа, цинк-ламельный

769243
10 дн.
Гарантии безопасности
21 день на возврат
Безопасная онлайн-оплата
Официальная гарантия производителя
Стоимость и сроки доставки
Код товара769243
Описание
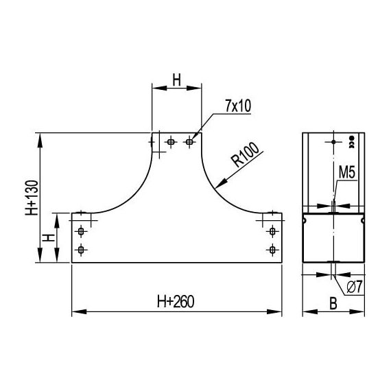
Ответвители – это аксессуары, облегчающие построение кабельных трасс сложной геометрии, с поворотами и изгибами. Они позволяют создавать ответвления кабельной трассы. Ответвитель TS имеет Т-образную форму и применяется для организации ответвлений в вертикальной плоскости. Его конструктив обеспечивает плавный поворот и предупреждает повреждение кабеля при прокладке. При применении вместе с крышкой обеспечивается высокая степень пыле- и влагозащиты кабеля – до IP 44, и простой доступ к кабелю, т.к. крышку можно снять при необходимости. Высота боковой стенки лотка – 80 мм, ширина в горизонтальном направлении – 80 мм, ширина в вертикальном направлении – 80 мм.Применение комплектных аксессуаров облегчает расчет числа необходимых элементов для монтажа – в комплект уже входят соединительные пластины и детали крепежа. Аксессуары в исполнении "Цинк-ламель" имеют специальное покрытие на основе химически активной магниевой смолы, в которую добавлены хлопья алюминия и цинка. Такое покрытие обеспечивает электрохимическую и барьерную защиту от коррозии. Показатели коррозионной стойкости цинк-ламельного покрытия ДКС аналогичны показателям горячеоцинкованного покрытия.
Характеристики изделия
Цвет .......... Светло-серый
Высота боковой стенки, мм .......... 80
Материал .......... Сталь
Ширина лотка в горизонт. направлении, мм .......... 80
Ширина лотка в вертикал. направлении, мм .......... 80
Нержавеющая сталь травлёная .......... Да
Исполнение для больших расстояний (усиленный) .......... Да
Подходит для обеспеч. целостности цепи (огнестойкость) .......... Да
Защитное покрытие поверхности .......... Цинк-ламельное покрытие
Вид/ марка материала .......... Сталь
Особенности
Массо-габаритные характеристики
Вес, кг
1.55
Единица измерения
упак
Заводская упаковка
1.0 упак
Объем, м3
0.00607
Общие характеристики
Страна происхождения
Россия
Штрихкод
4690309499054
Код товара
769243
Производитель
DKC
Артикул производителя
37201KZL
Основные характеристики
Высота, мм
210
Материал изделия
Сталь
Покрытие
Цинк-ламель
Серия
s5 combitech
Тип изделия
Ответвитель T-образный
Ширина, мм
80
Дополнительные характеристики
Длина, мм
-1
Цвет
Светло-серый
Отзывы

Отзывы не найдены

Возможно, вас это заинтересует
  • Самые популярные
  • Распродажа
  • Недавно просмотренные
 
Быстро и качественно доставляем

Наша компания производит доставку по всей России и ближнему зарубежью

Гарантия качества и сервисное обслуживание

Мы предлагаем только те товары, в качестве которых мы уверены

Возврат товара в течение 21 дня

У вас есть 21 день для того чтобы протестировать вашу покупку