Ответвитель TDS Т-образный вертикальный ун. осн.400, нержавеющий
Характеристики изделия
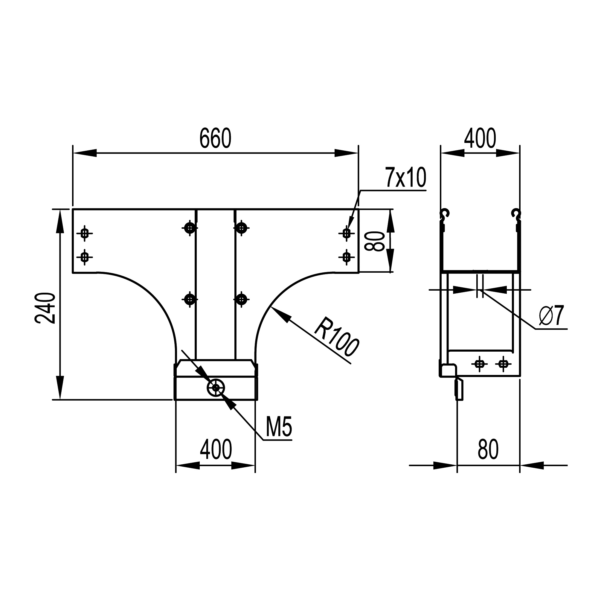
Цвет .......... Светло-серыйВысота боковой стенки, мм .......... 80
Вид/ марка материала .......... Нержавеющая и кислотоупорная сталь
Материал .......... Нержавеющая сталь
Ширина лотка в горизонт. направлении, мм .......... 400
Ширина лотка в вертикал. направлении, мм .......... 80
Нержавеющая сталь травлёная .......... Да
Исполнение для больших расстояний (усиленный) .......... Да
Подходит для обеспеч. целостности цепи (огнестойкость) .......... Да
Защитное покрытие поверхности .......... Без покрытия (голый)
Отзывы не найдены
