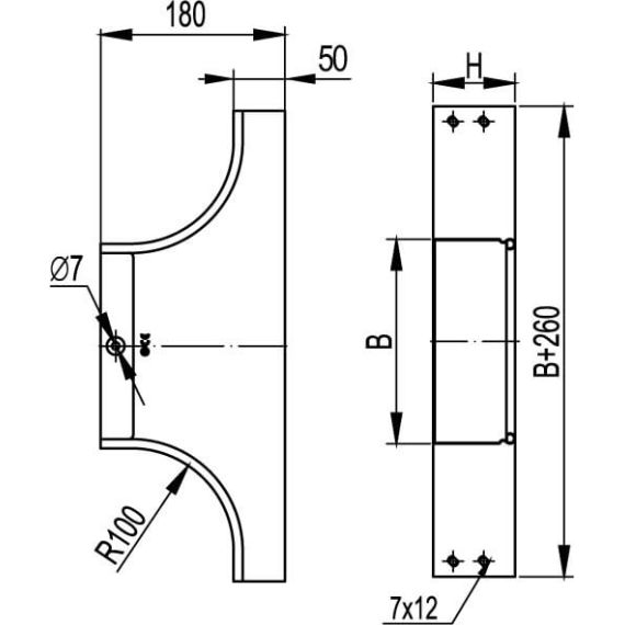
Ответвитель DL 500х80 в комплекте с крепежными элементами и соединительными пластинами, необходимыми для монтажа
Характеристики изделия
Цвет .......... Светло-серыйМодель/исполнение .......... С соединит. разъемом в комплекте
Защитное покрытие поверхности .......... Оцинковка горячим способом по методу сендзимира
Вид/ марка материала .......... Сталь
Материал .......... Сталь
Внутр. радиус, мм .......... 100
Ширина кабельного лотка, мм .......... 500
Высота кабельного лотка, мм .......... 80
Nato монтажные отверстия .......... Да
Нержавеющая сталь травлёная .......... Да
Исполнение для больших расстояний (усиленный) .......... Да
Подходит для обеспеч. целостности цепи (огнестойкость) .......... Да
Отзывы не найдены
