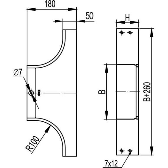
Ответвитель DL 200х50 в комплекте с крепежными элементами и соединительными пластинами, необходимыми для монтажа
Характеристики изделия
Ширина кабельного лотка, мм .......... 200Высота кабельного лотка, мм .......... 50
Nato монтажные отверстия .......... Да
Цвет .......... Светло-серый
Модель/исполнение .......... С соединит. разъемом в комплекте
Защитное покрытие поверхности .......... Оцинковка горячим способом по методу сендзимира
Вид/ марка материала .......... Сталь
Материал .......... Сталь
Внутр. радиус, мм .......... 100
Нержавеющая сталь травлёная .......... Да
Исполнение для больших расстояний (усиленный) .......... Да
Подходит для обеспеч. целостности цепи (огнестойкость) .......... Да
Отзывы не найдены
