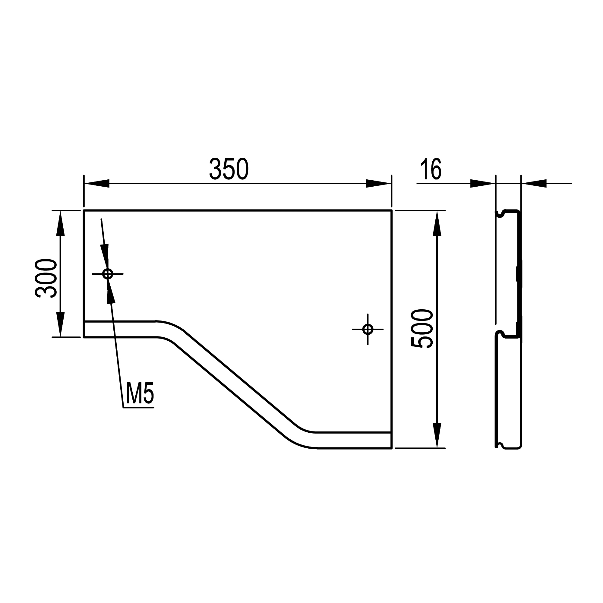
Крышка на переходник RRD правосторонний 500/300 в комплекте с метизами и пластинами PTCE
Характеристики изделия
Цвет .......... Светло-серыйКонструктивное исполнение .......... Сужение справа
Ширина (большая), мм .......... 500
Ширина (уменьшения), мм .......... 300
Материал .......... Сталь
Тип крепления .......... Защелкивание
Подходит для (листового) кабельного лотка .......... Да
Защитное покрытие поверхности .......... Оцинковка горячим способом по методу сендзимира
Вид/ марка материала .......... Сталь оцинкованная
Отзывы не найдены
