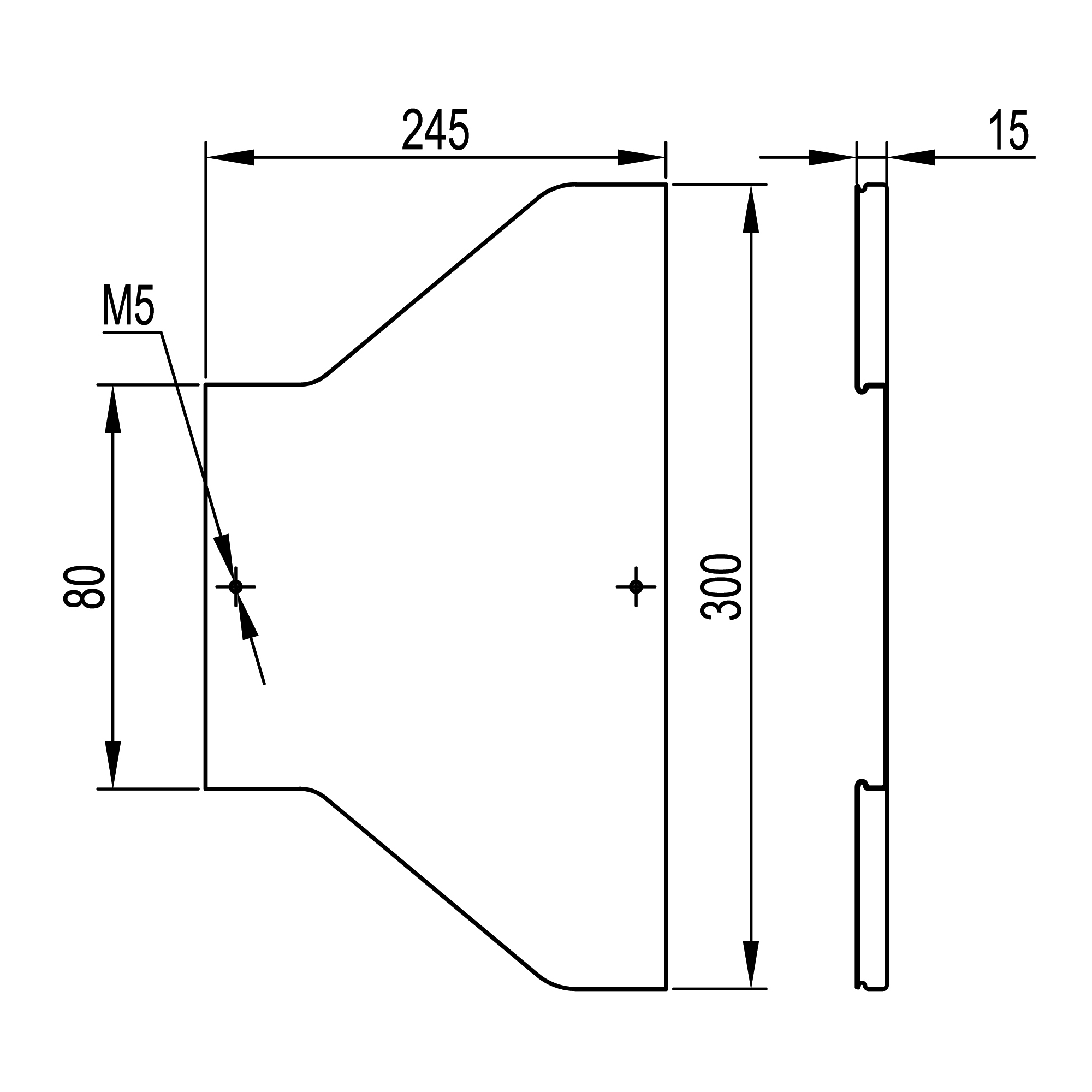
Крышка на переходник RRC симметричный 300/80, горячеоцинкованная в комплекте с метизами и пластинами PTCE
Характеристики изделия
Цвет .......... Светло-серыйЗащитное покрытие поверхности .......... Горячее цинкование
Конструктивное исполнение .......... Симметричная редукция
Ширина (большая), мм .......... 300
Ширина (уменьшения), мм .......... 80
Материал .......... Сталь
Тип крепления .......... Защелкивание
Подходит для (листового) кабельного лотка .......... Да
Вид/ марка материала .......... Сталь оцинкованная
Отзывы не найдены
