
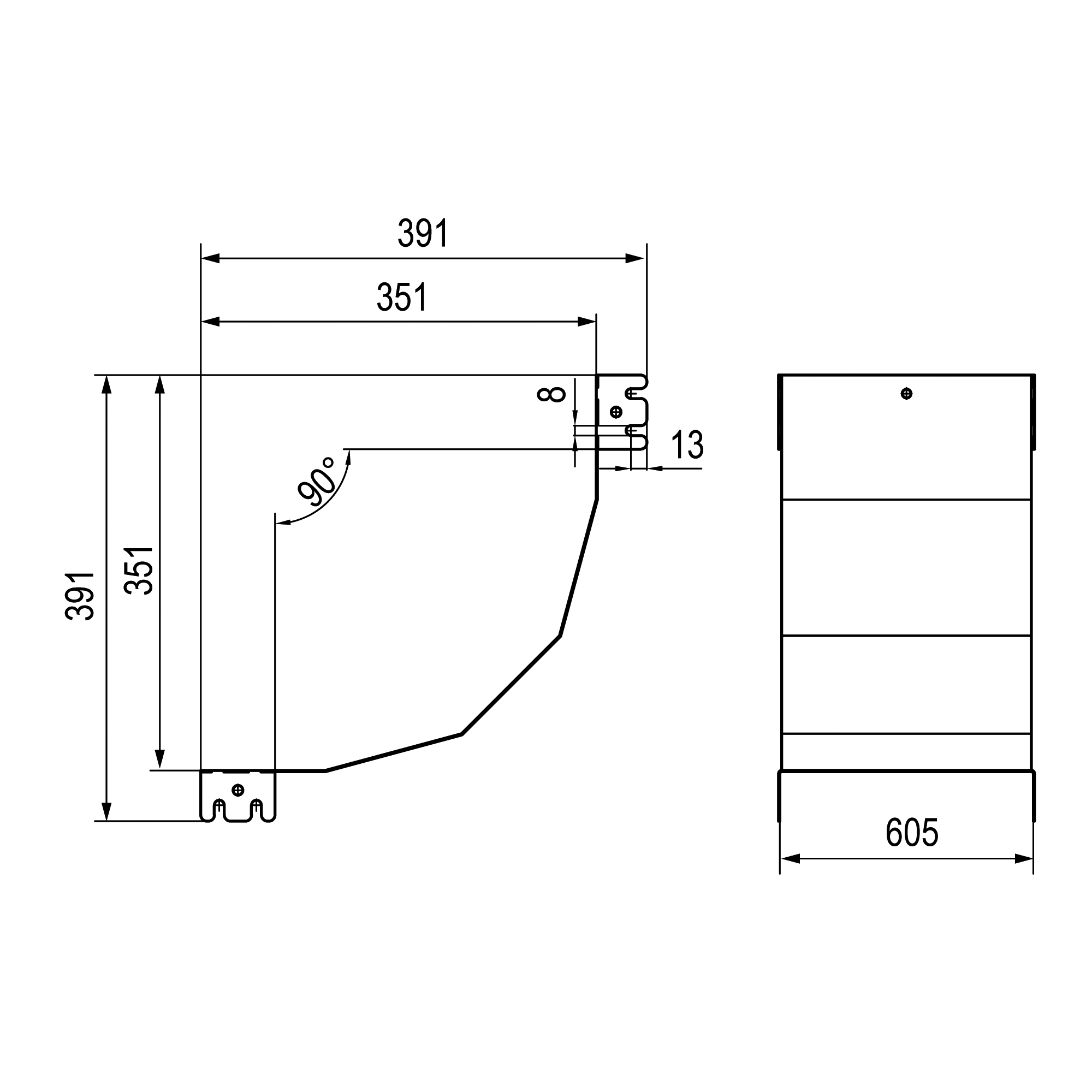
Крышка на угол вертикальный внутренний 90 градусов, 50х600, R900, в комплекте с крепежными элементами и соединительными пластинами, необходимыми для монтажа, цинк-ламельная
Характеристики изделия
Цвет .......... Светло-серыйШирина, мм .......... 600
Защитное покрытие поверхности .......... Цинк-ламельное покрытие
Вид/ марка материала .......... Сталь
Материал .......... Сталь
Тип крепления .......... Привинчивание
Нержавеющая сталь травлёная .......... Нет
Отзывы не найдены