
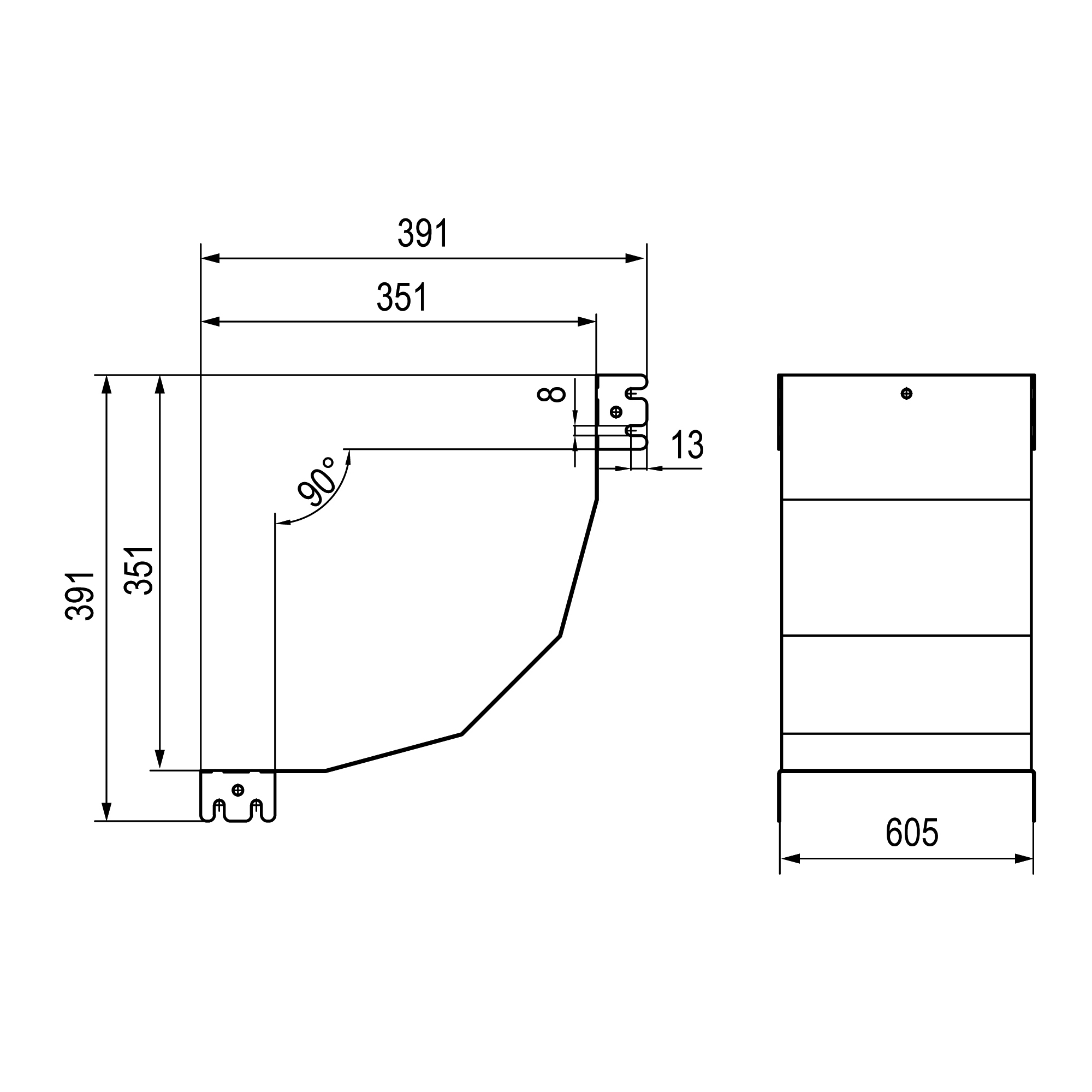
Крышка на угол вертикальный внутренний 90 градусов, 50х600 R900, горячеоцинкованная в комплекте с крепежными элементами исоединительными пластинами, необходимыми для монтажа
Характеристики изделия
Цвет .......... Светло-серыйШирина, мм .......... 600
Защитное покрытие поверхности .......... Горячее цинкование
Вид/ марка материала .......... Сталь
Материал .......... Сталь
Тип крепления .......... Привинчивание
Нержавеющая сталь травлёная .......... Нет
Отзывы не найдены